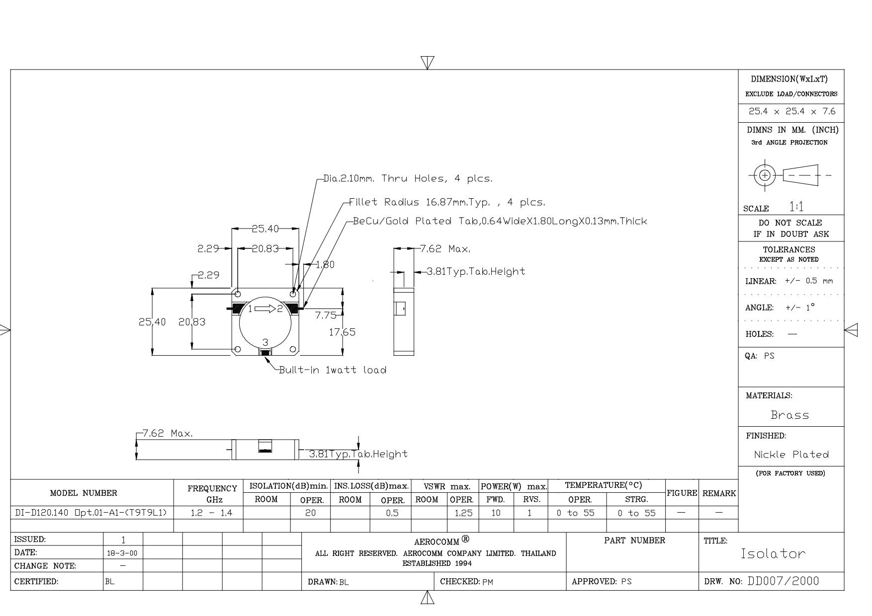
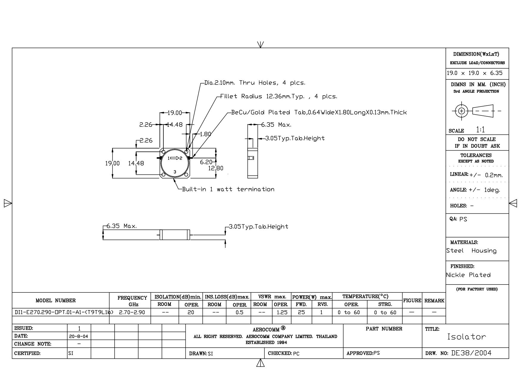
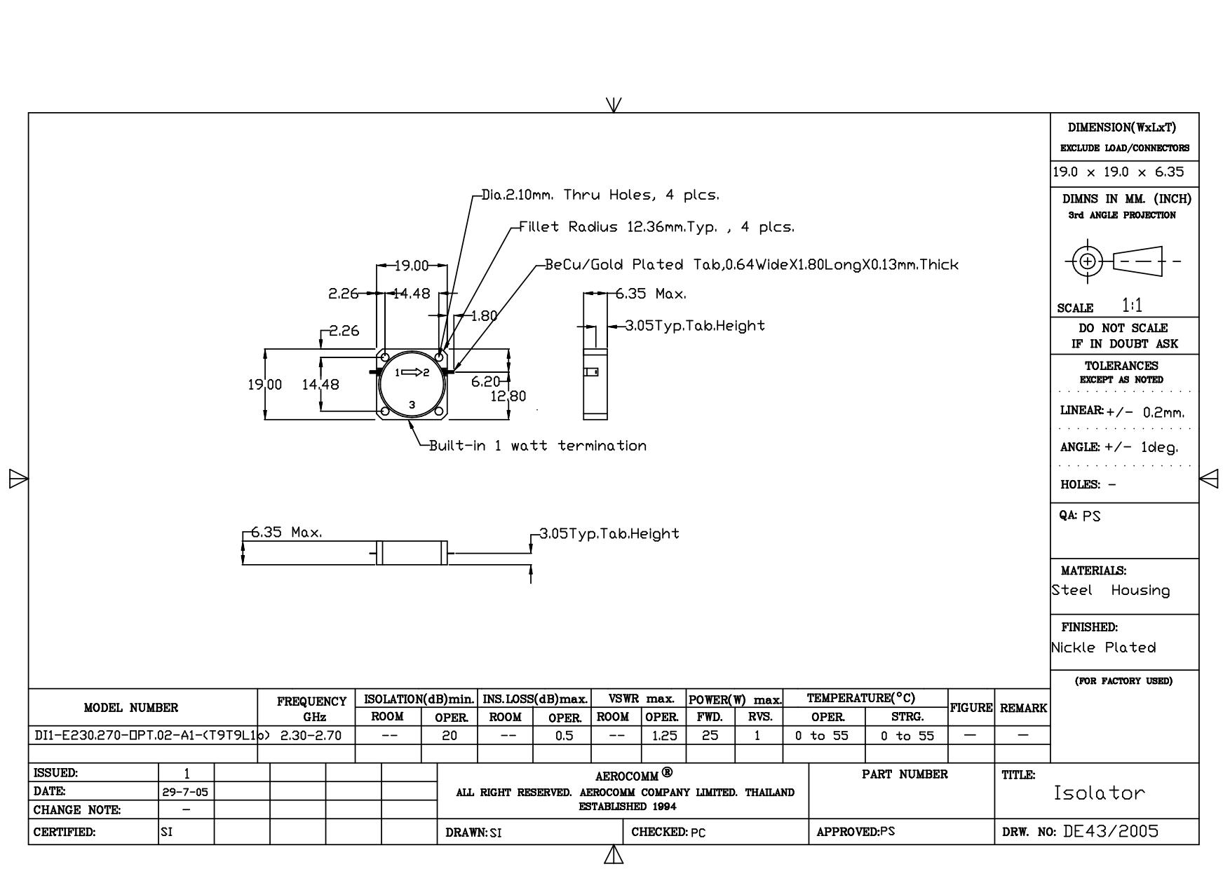
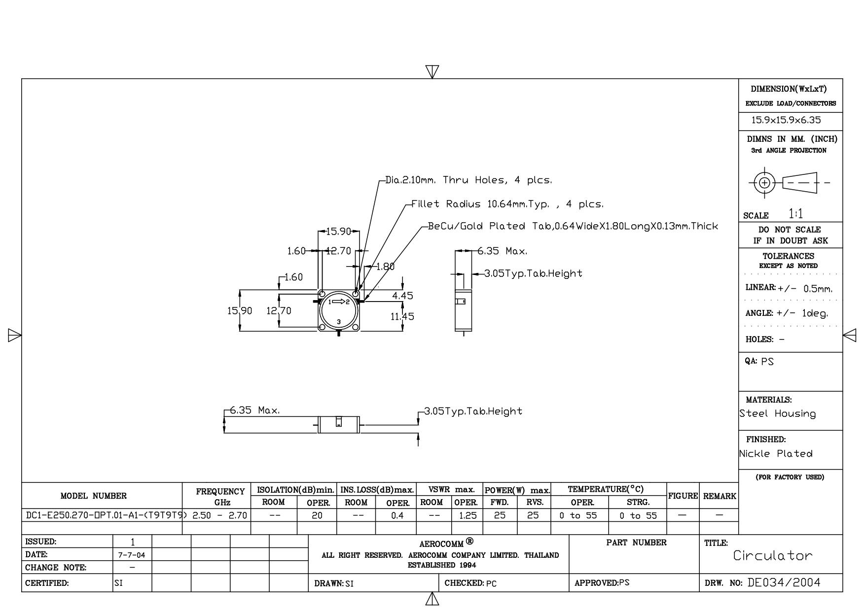
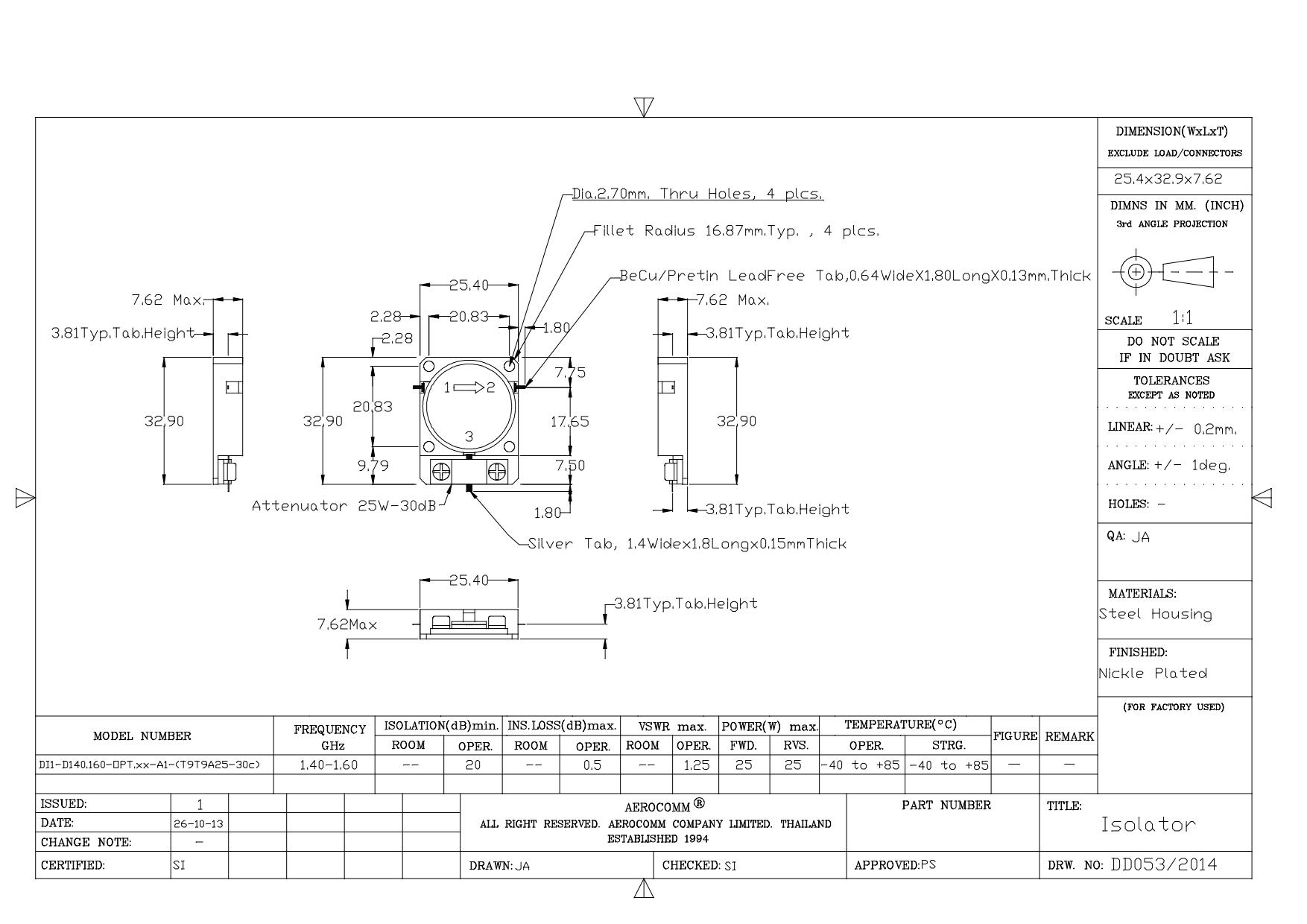
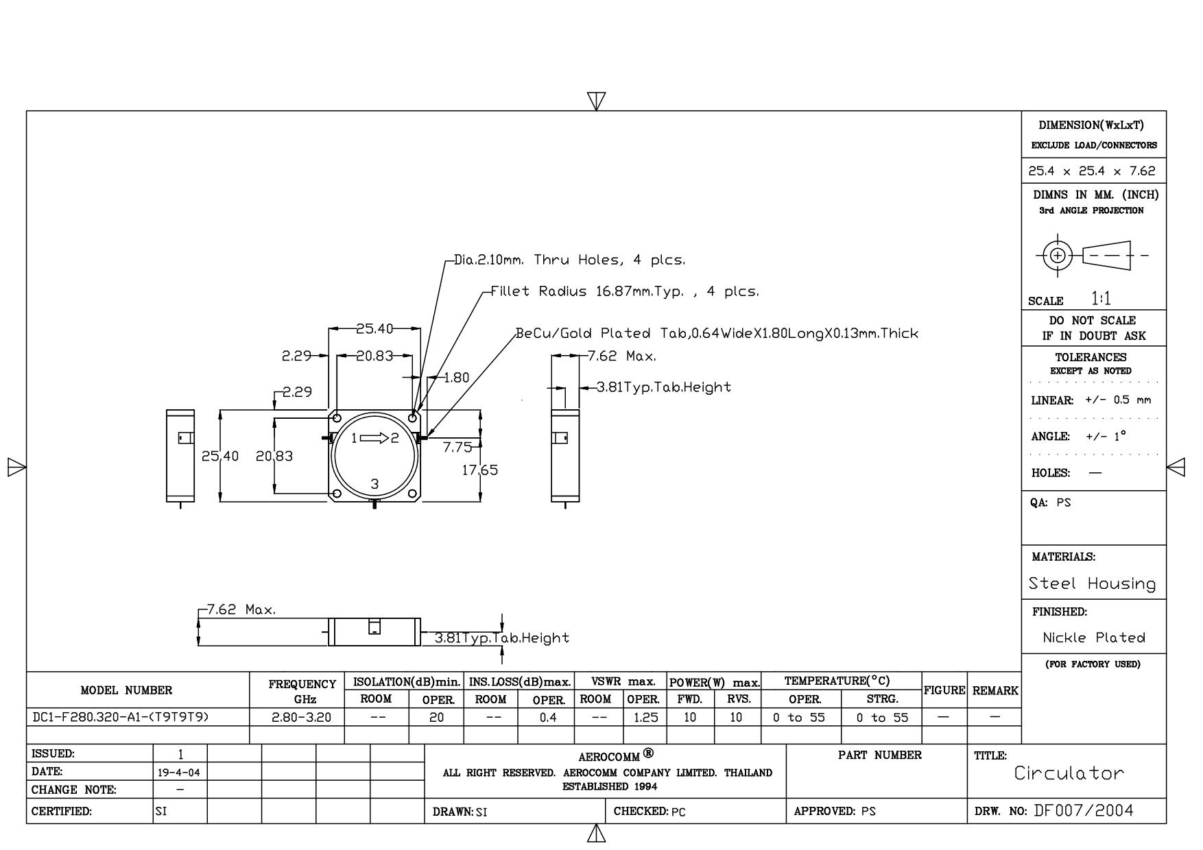
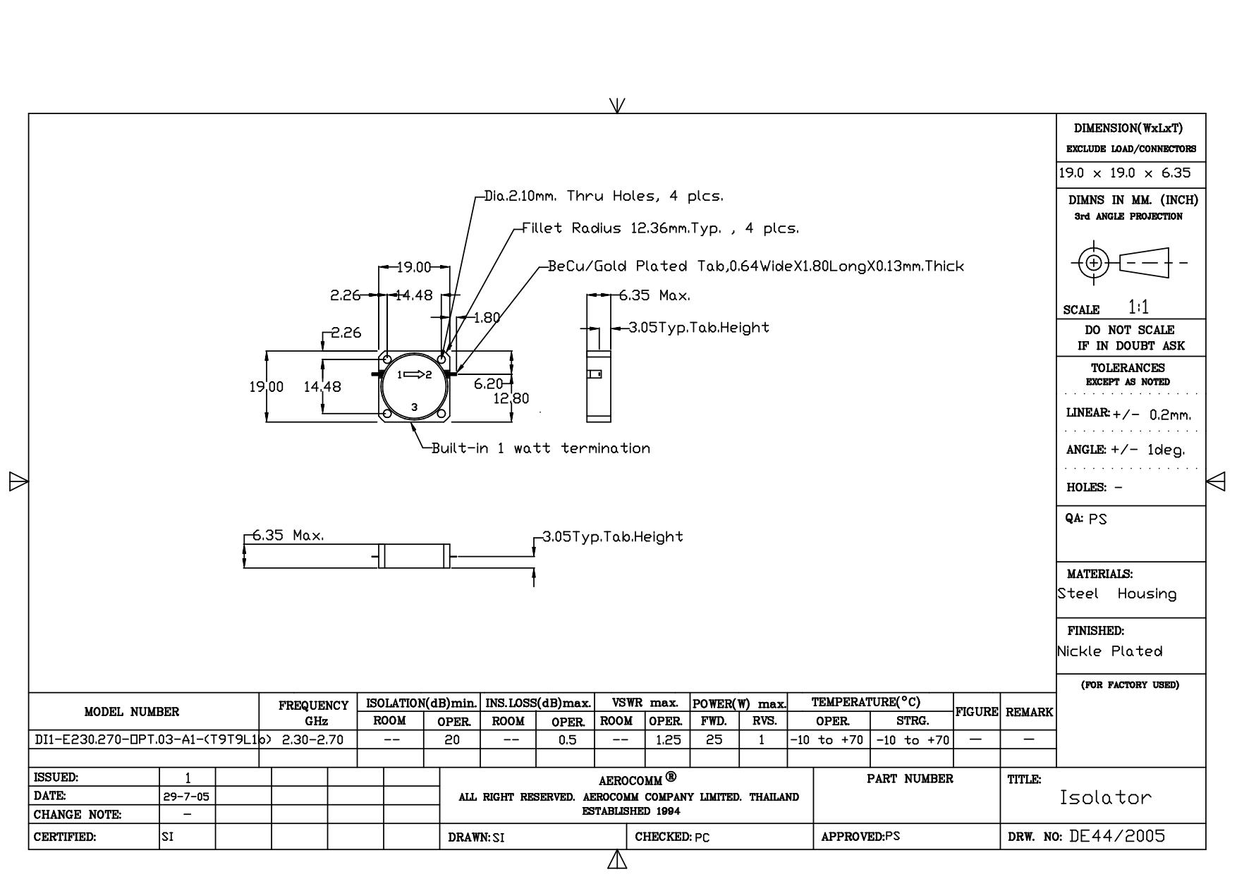
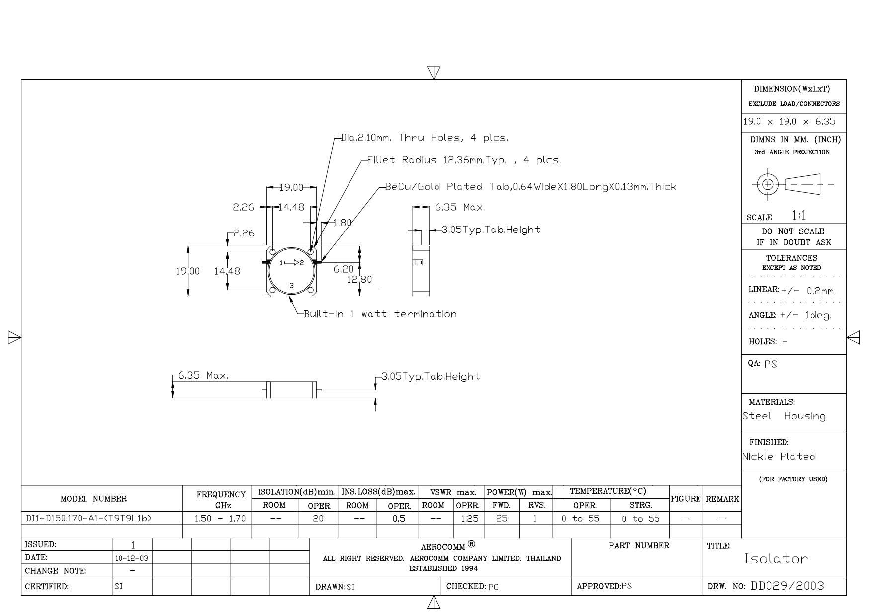
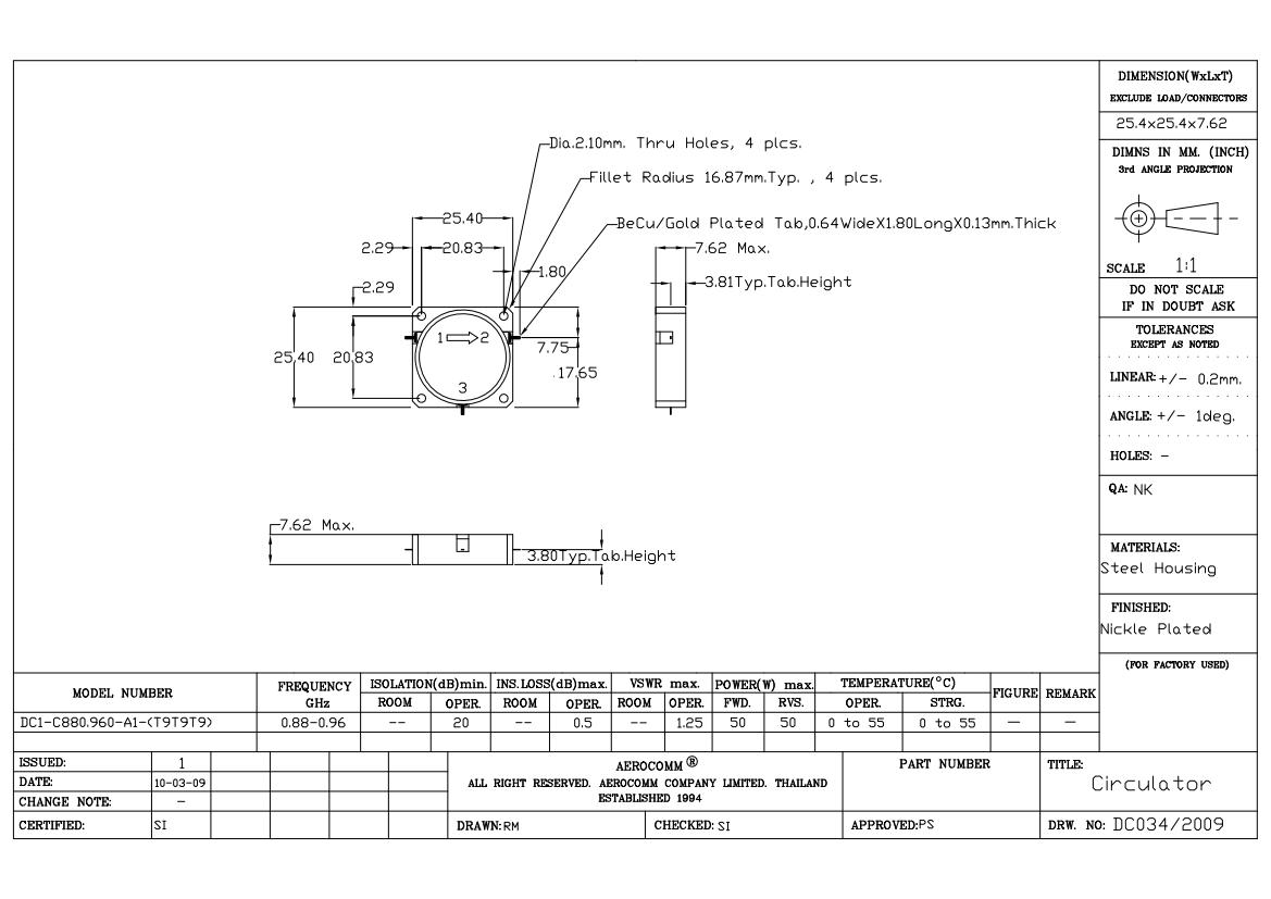
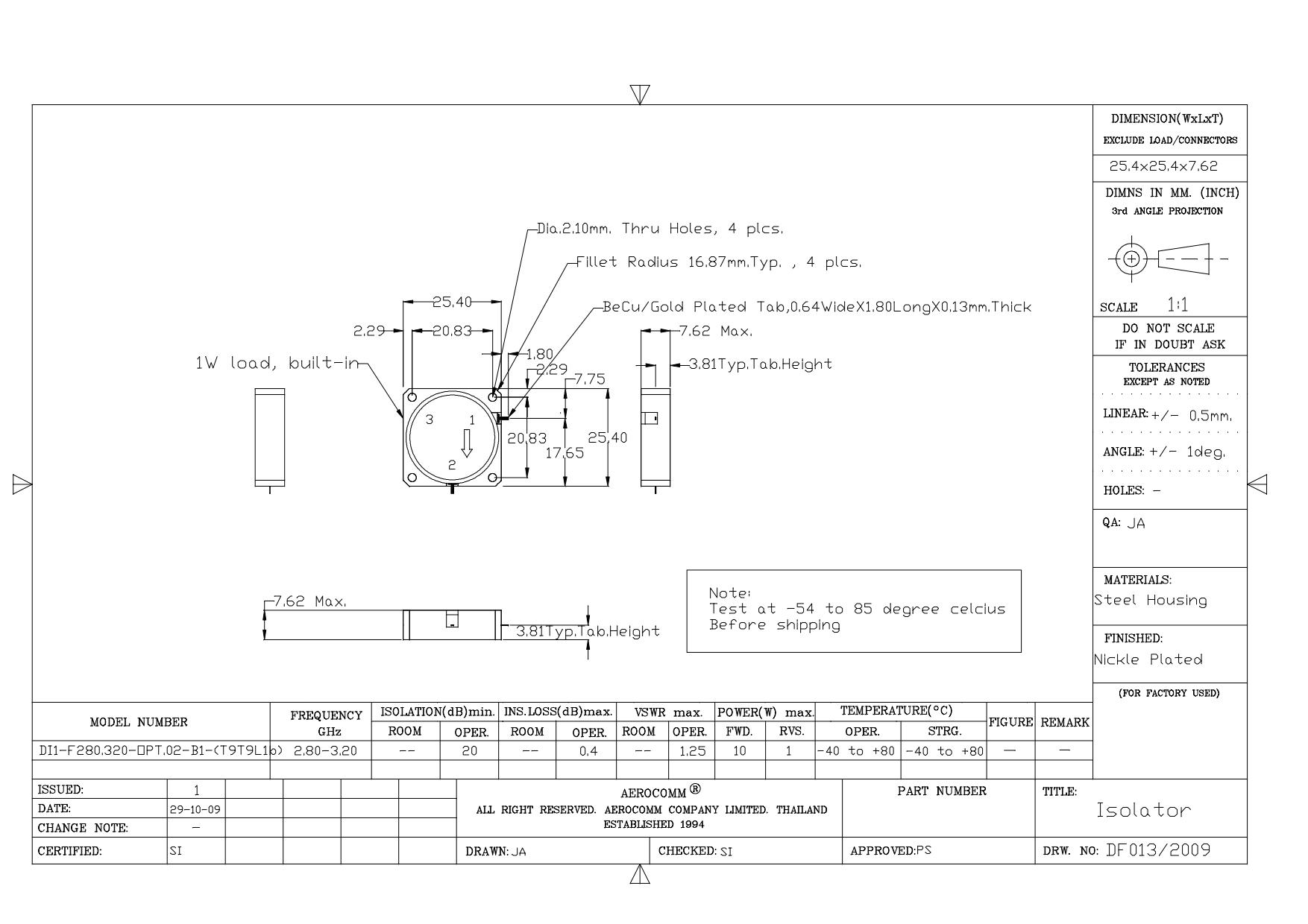
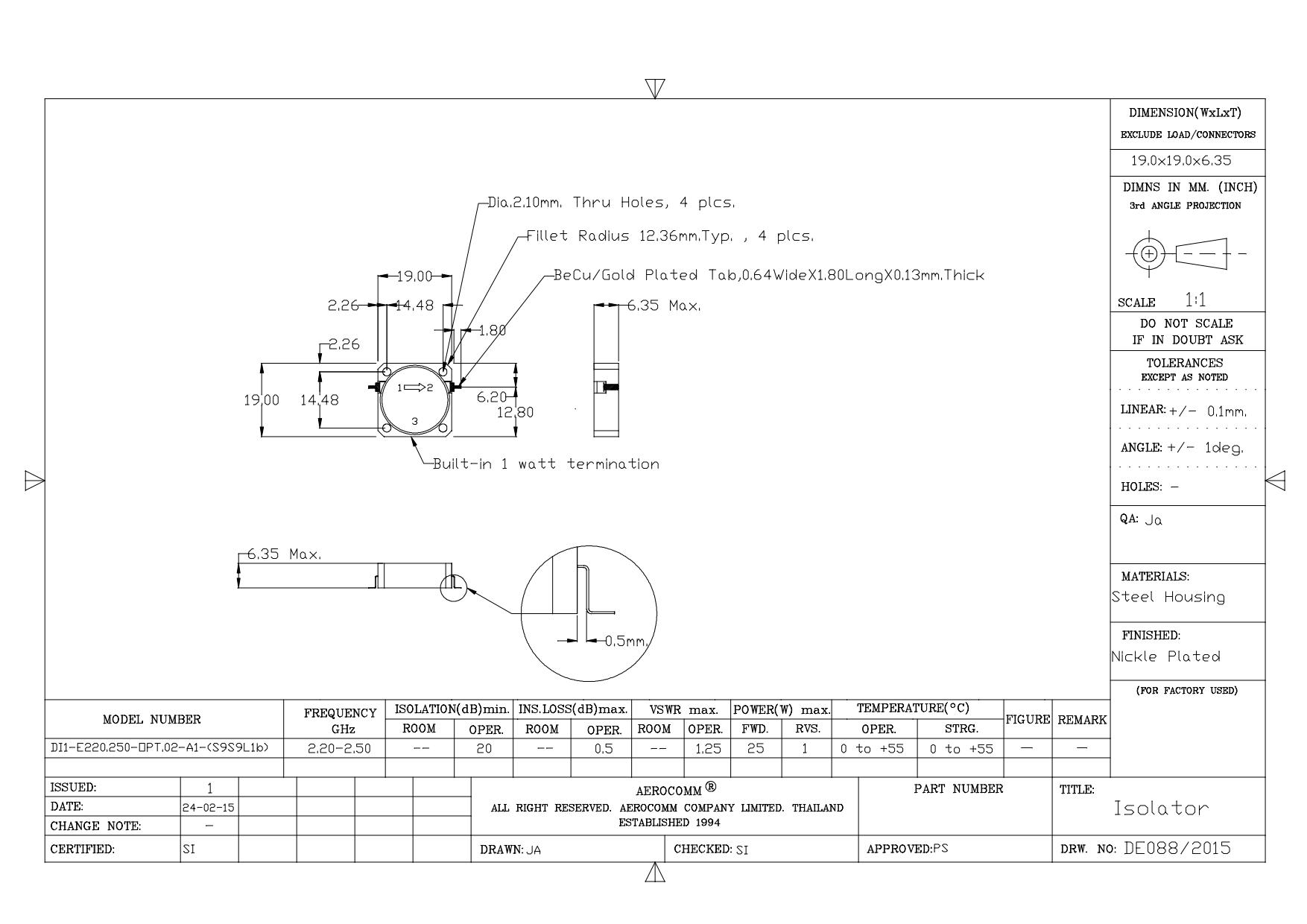
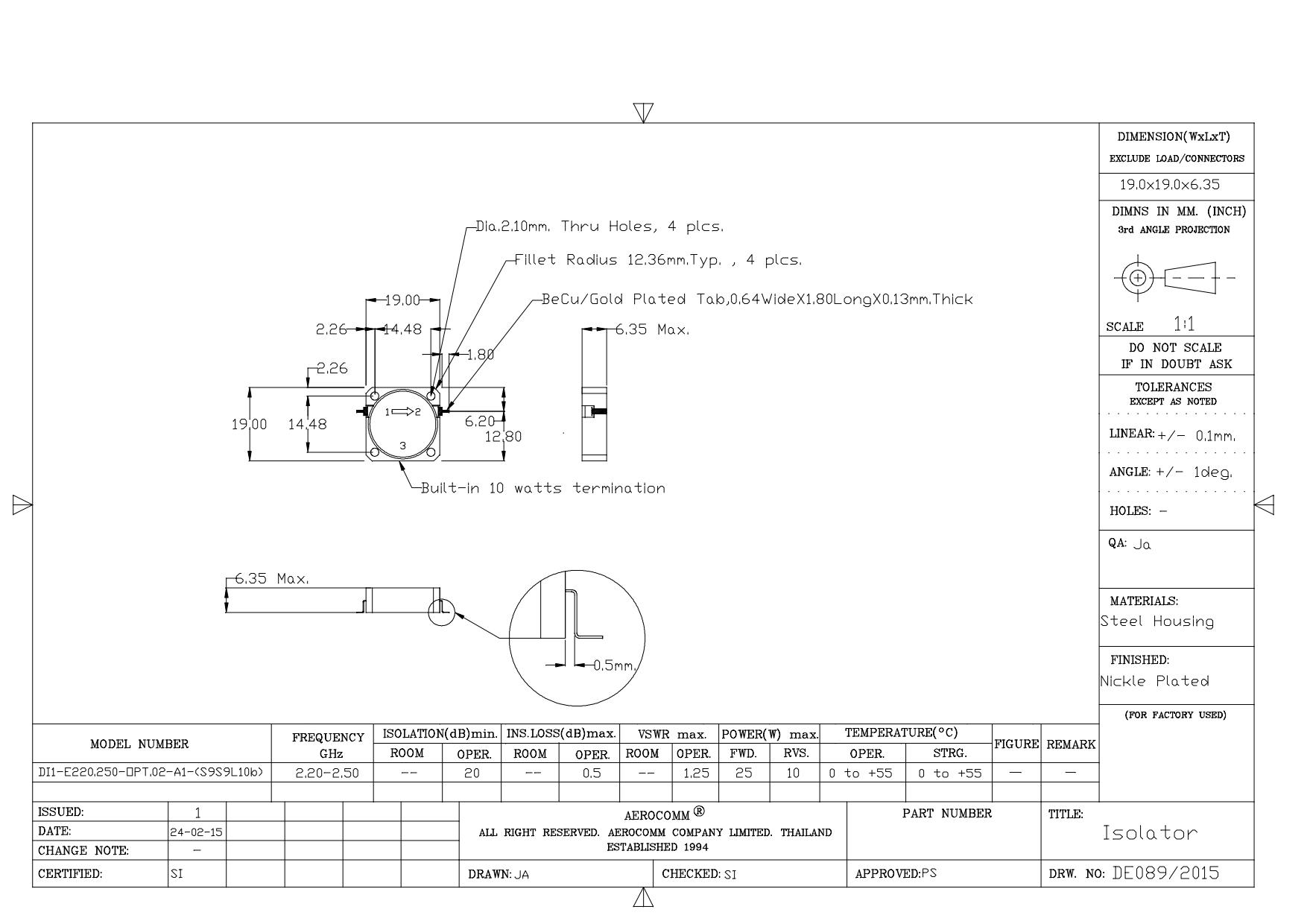
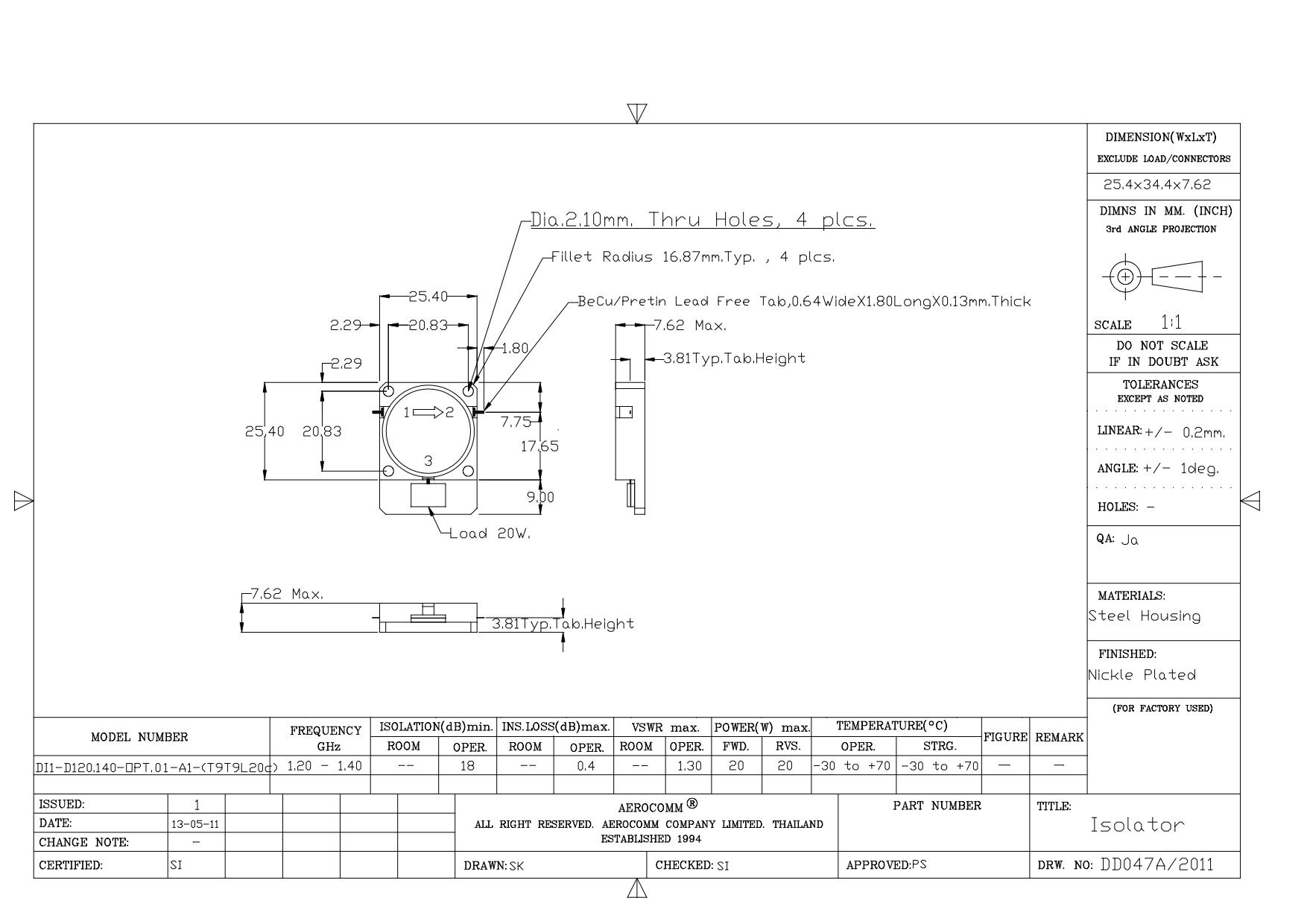
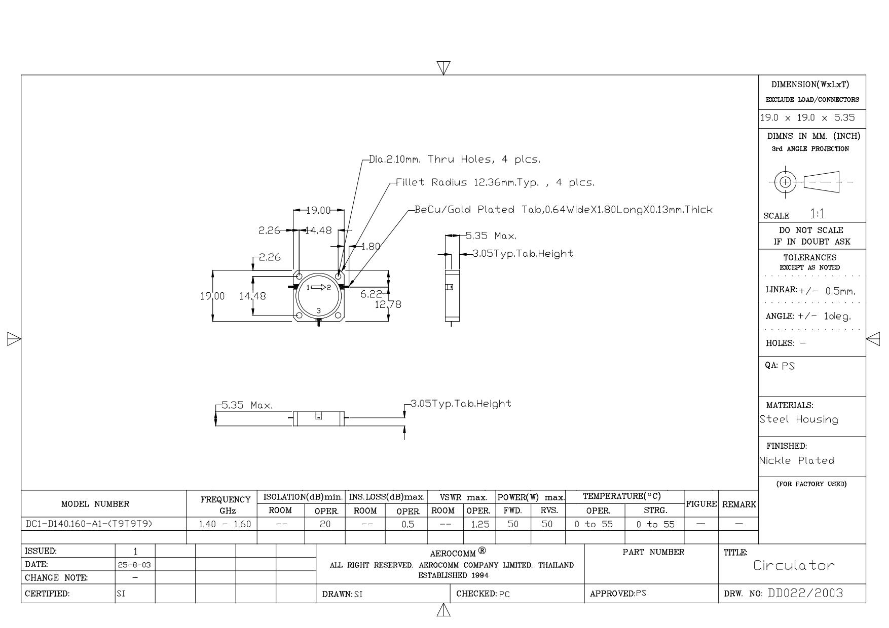
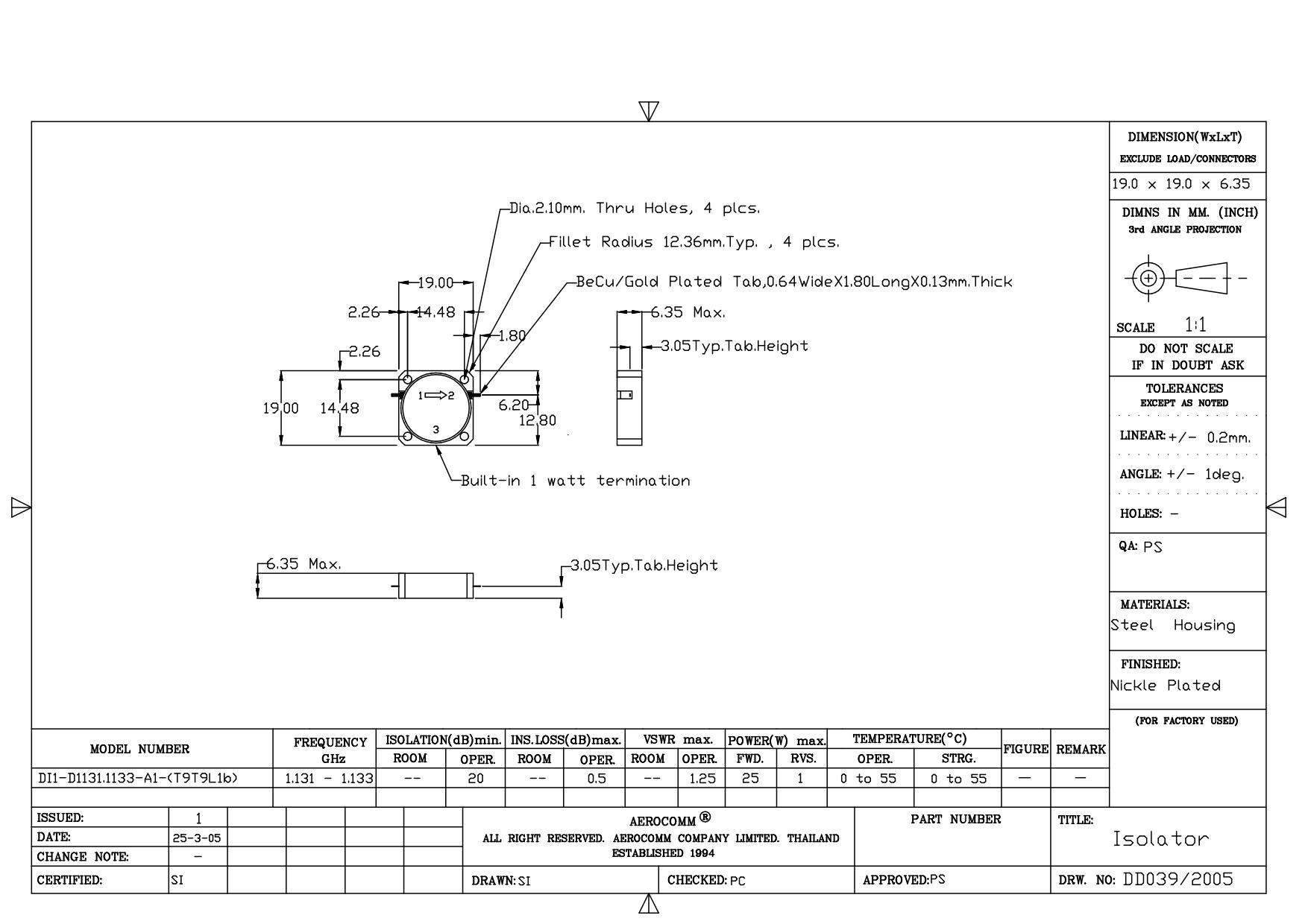
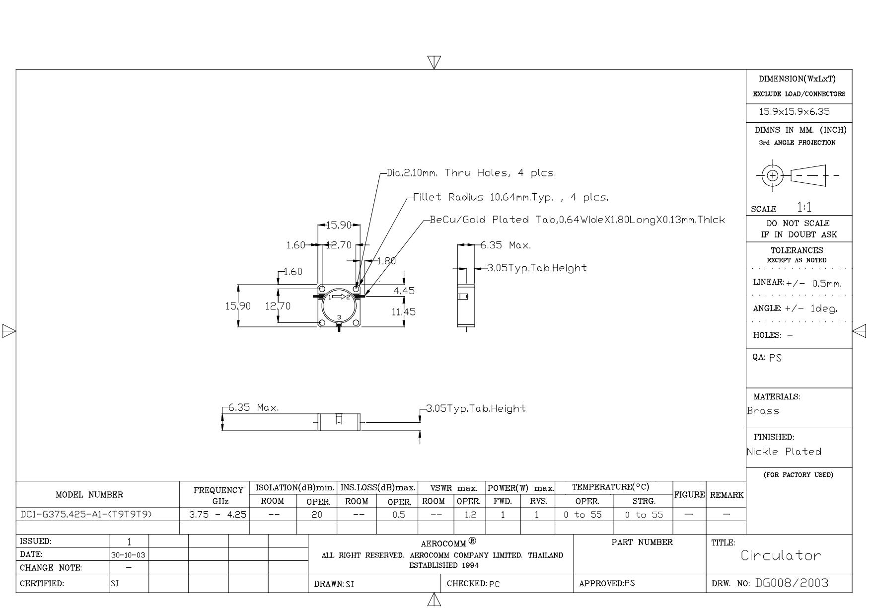
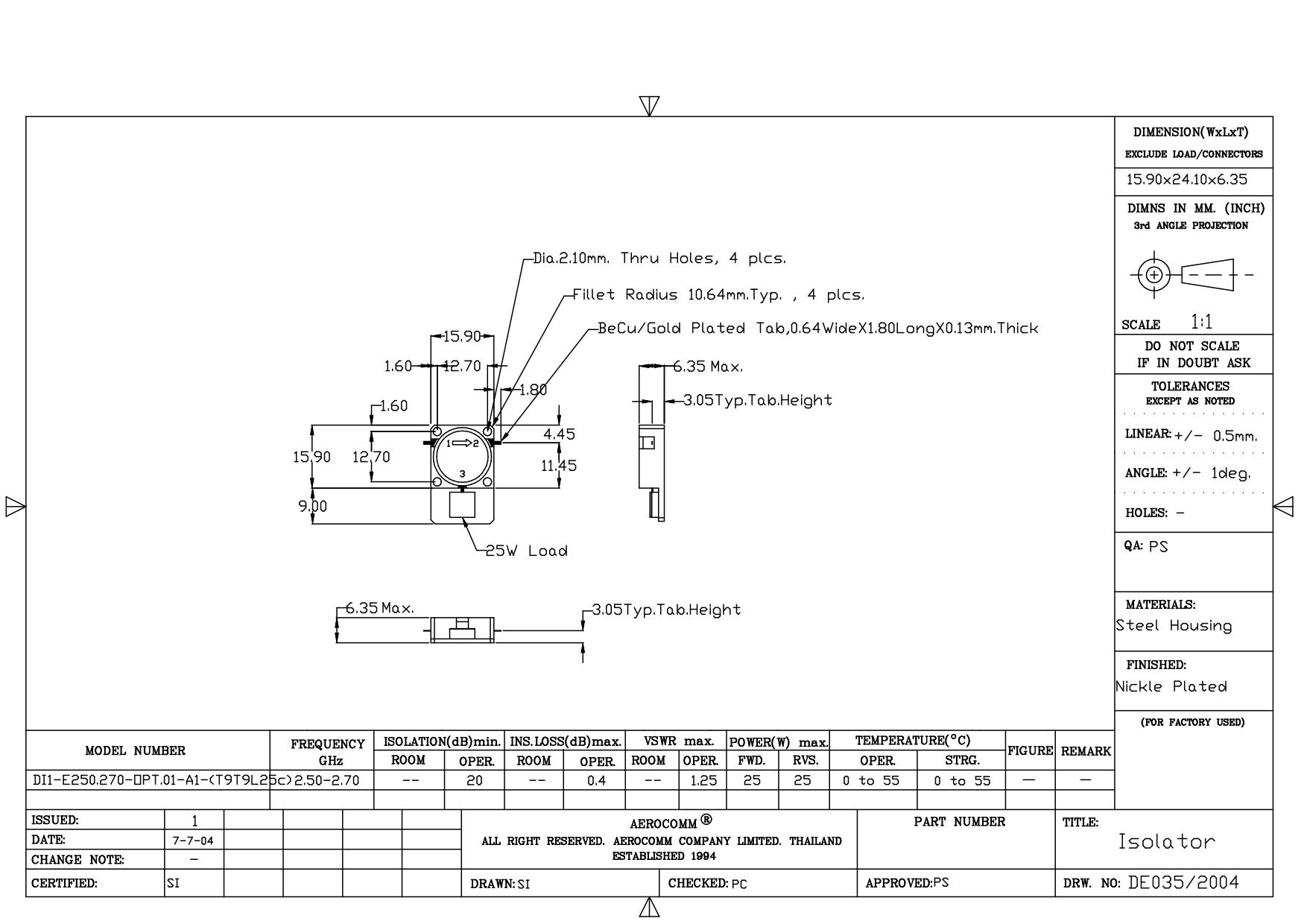
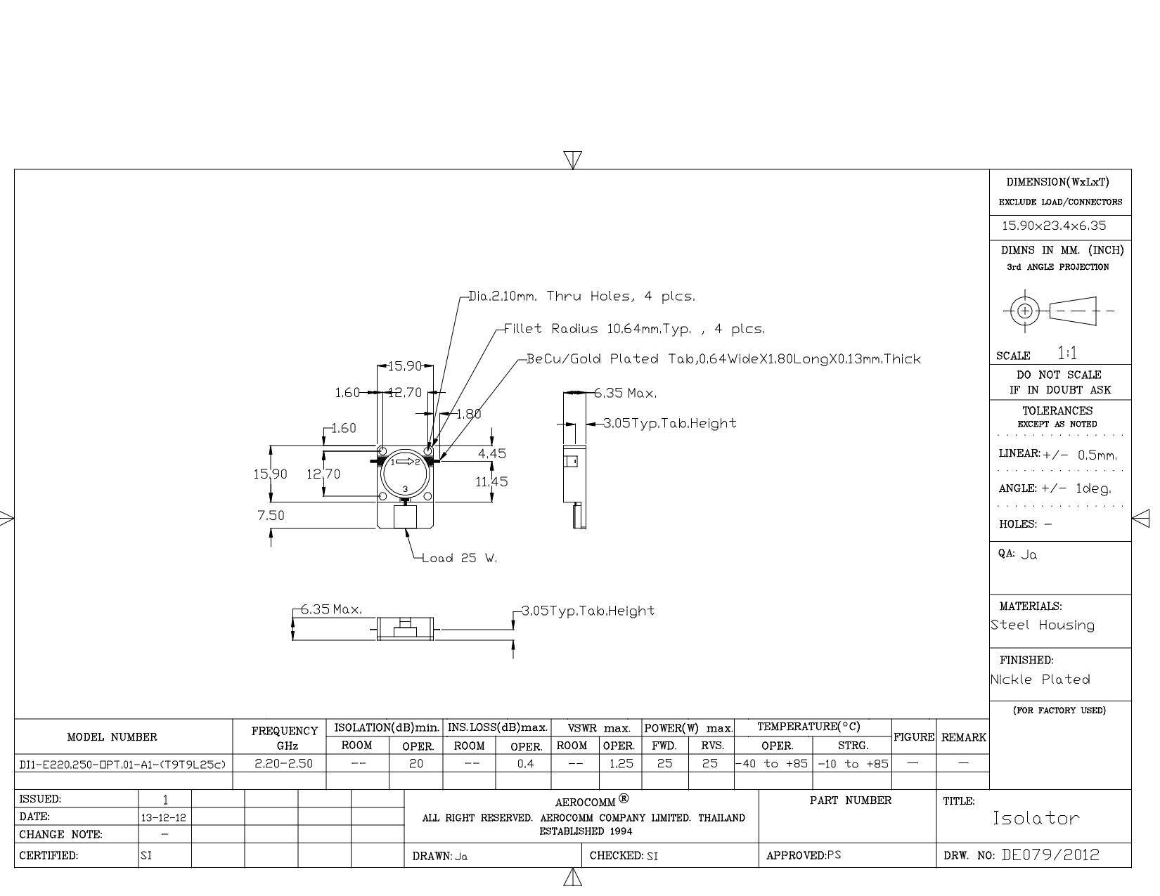
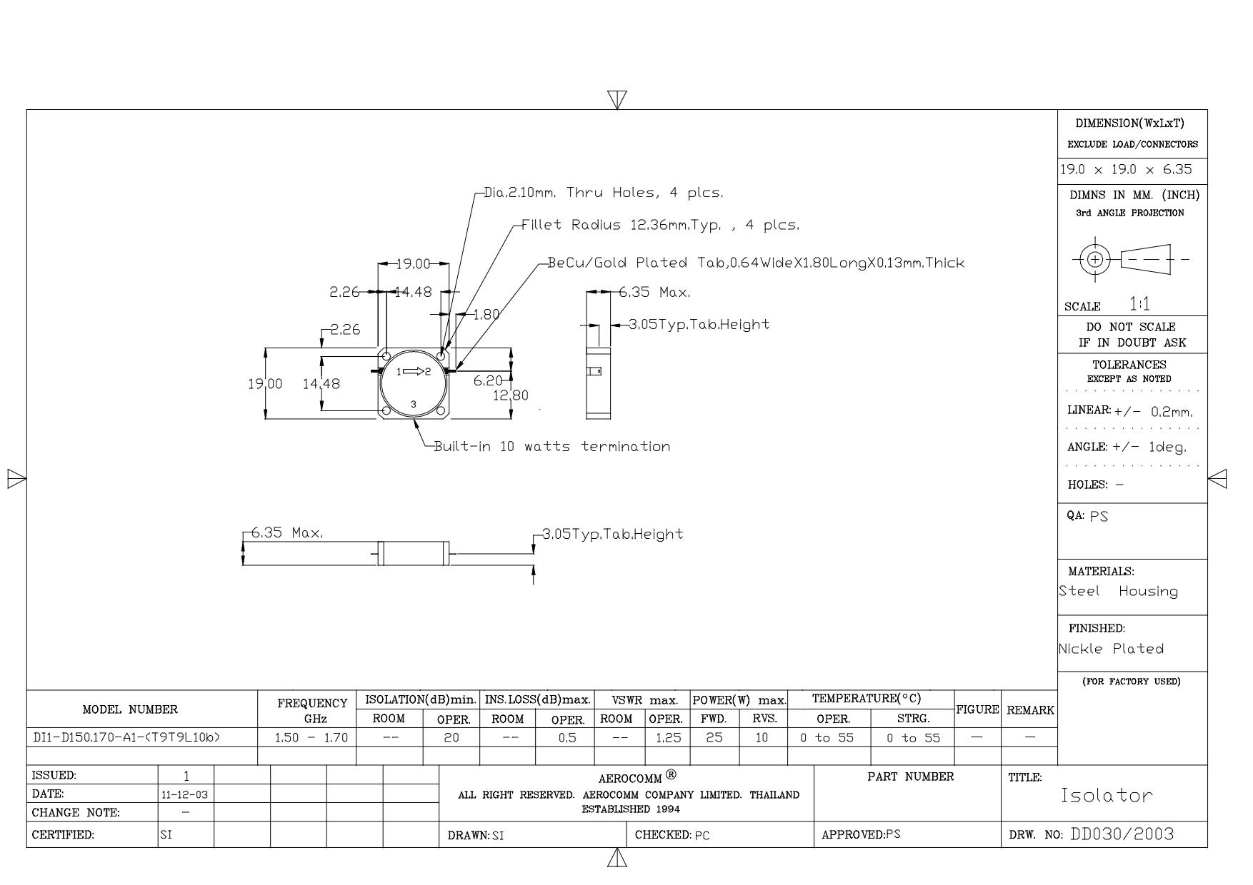
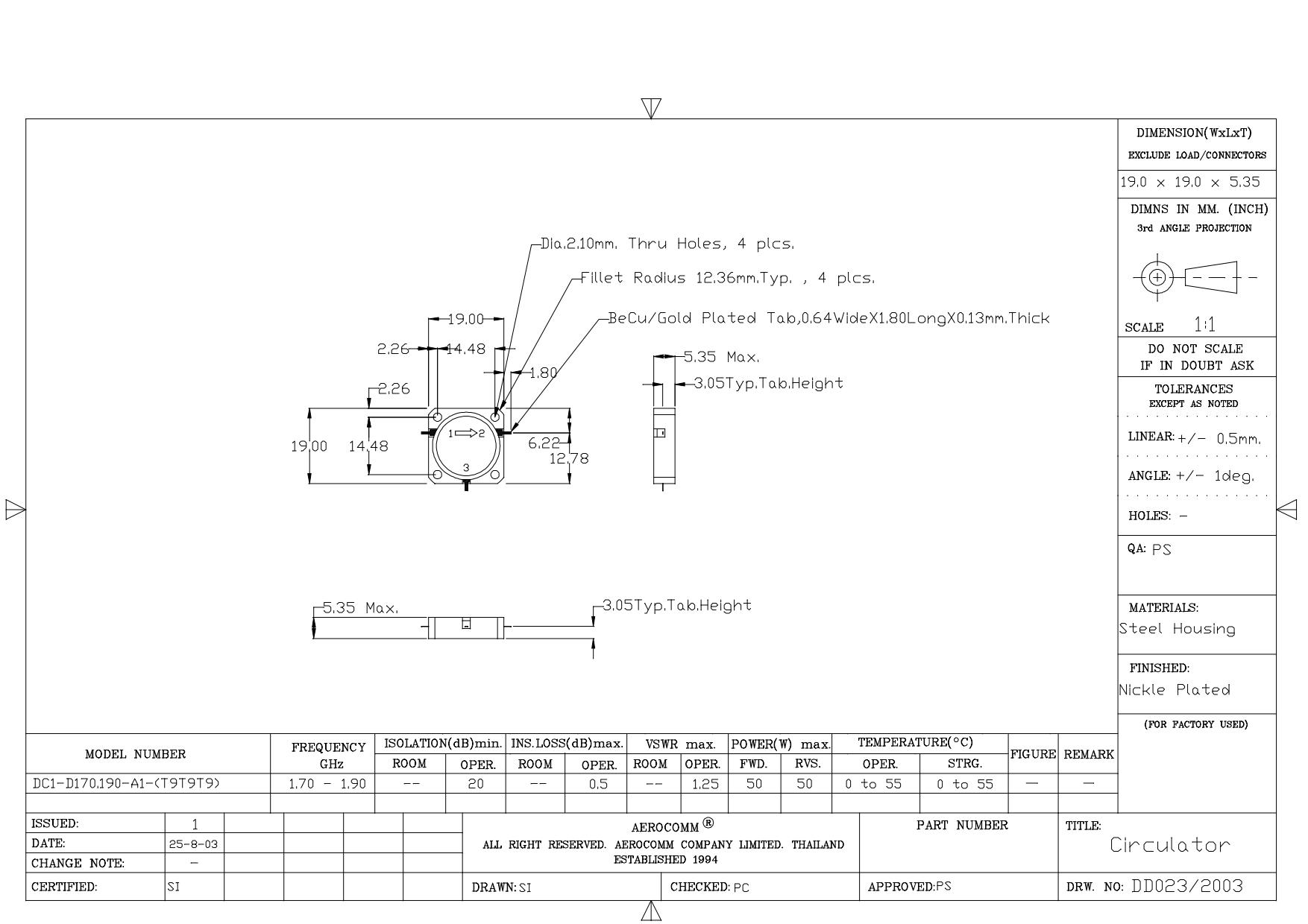
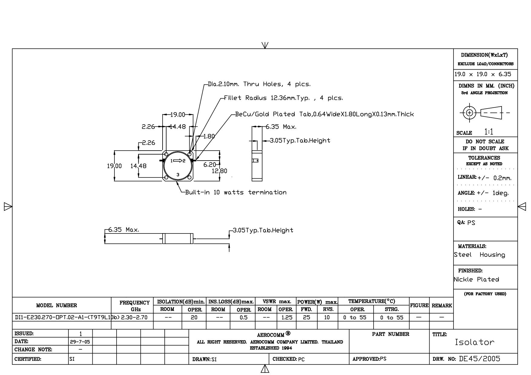
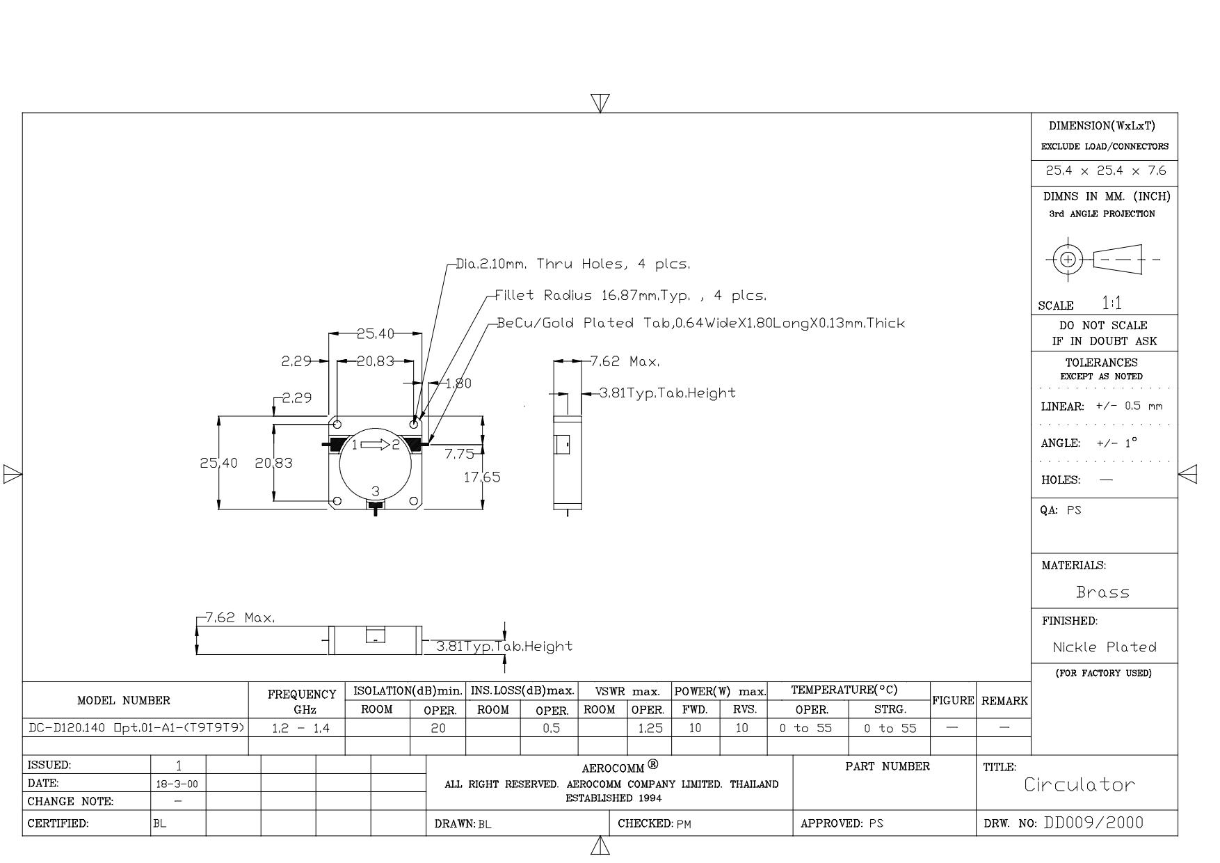
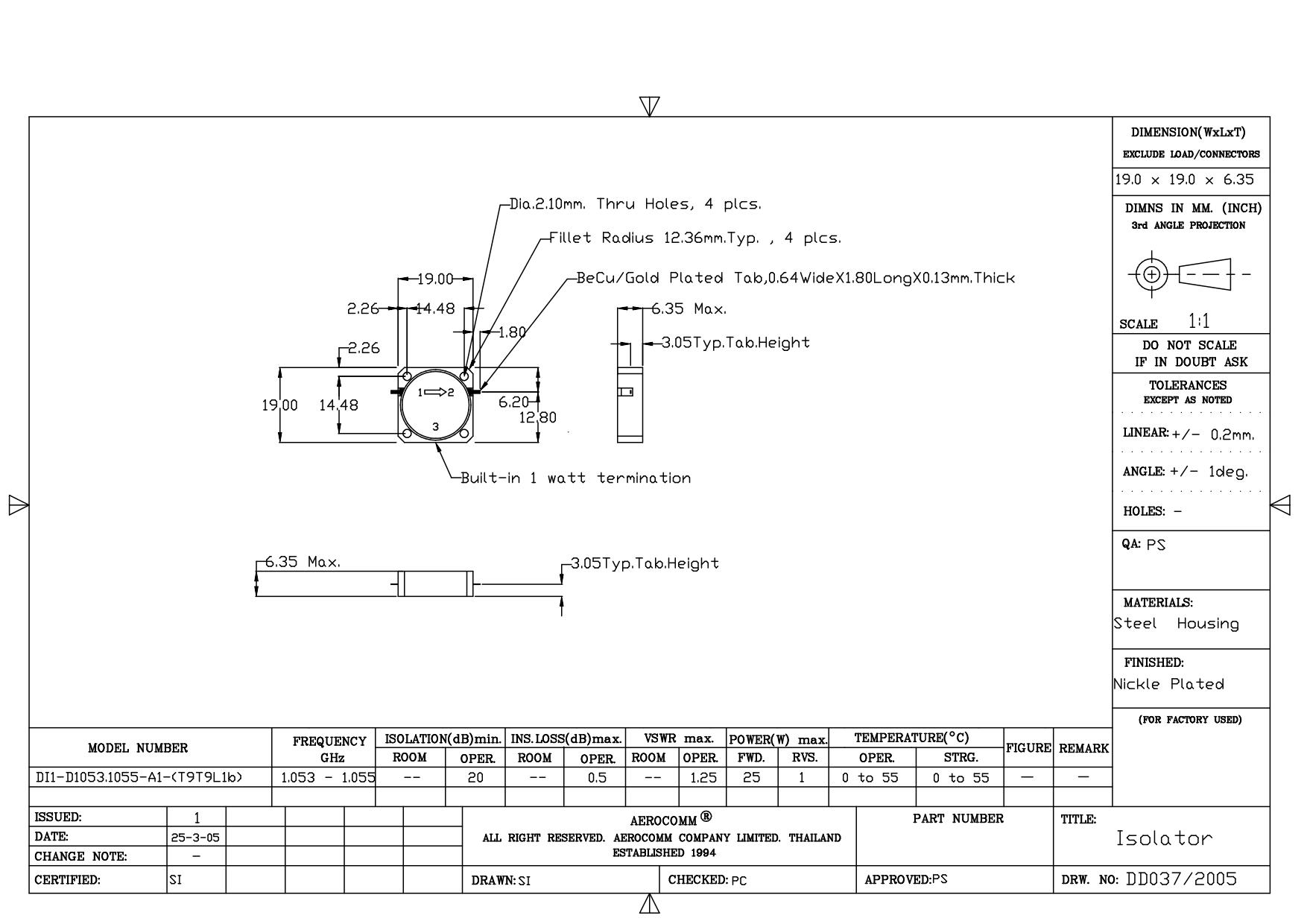
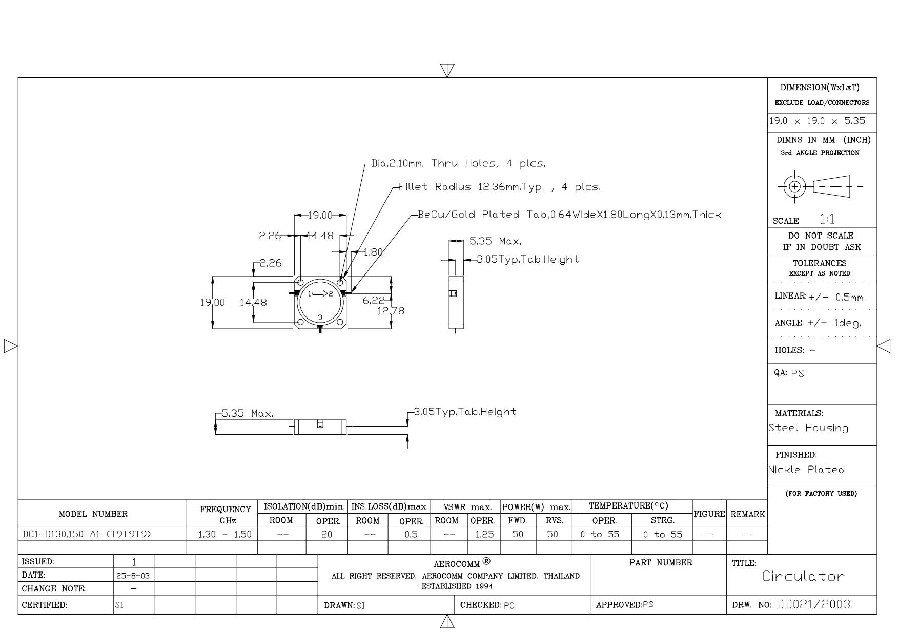
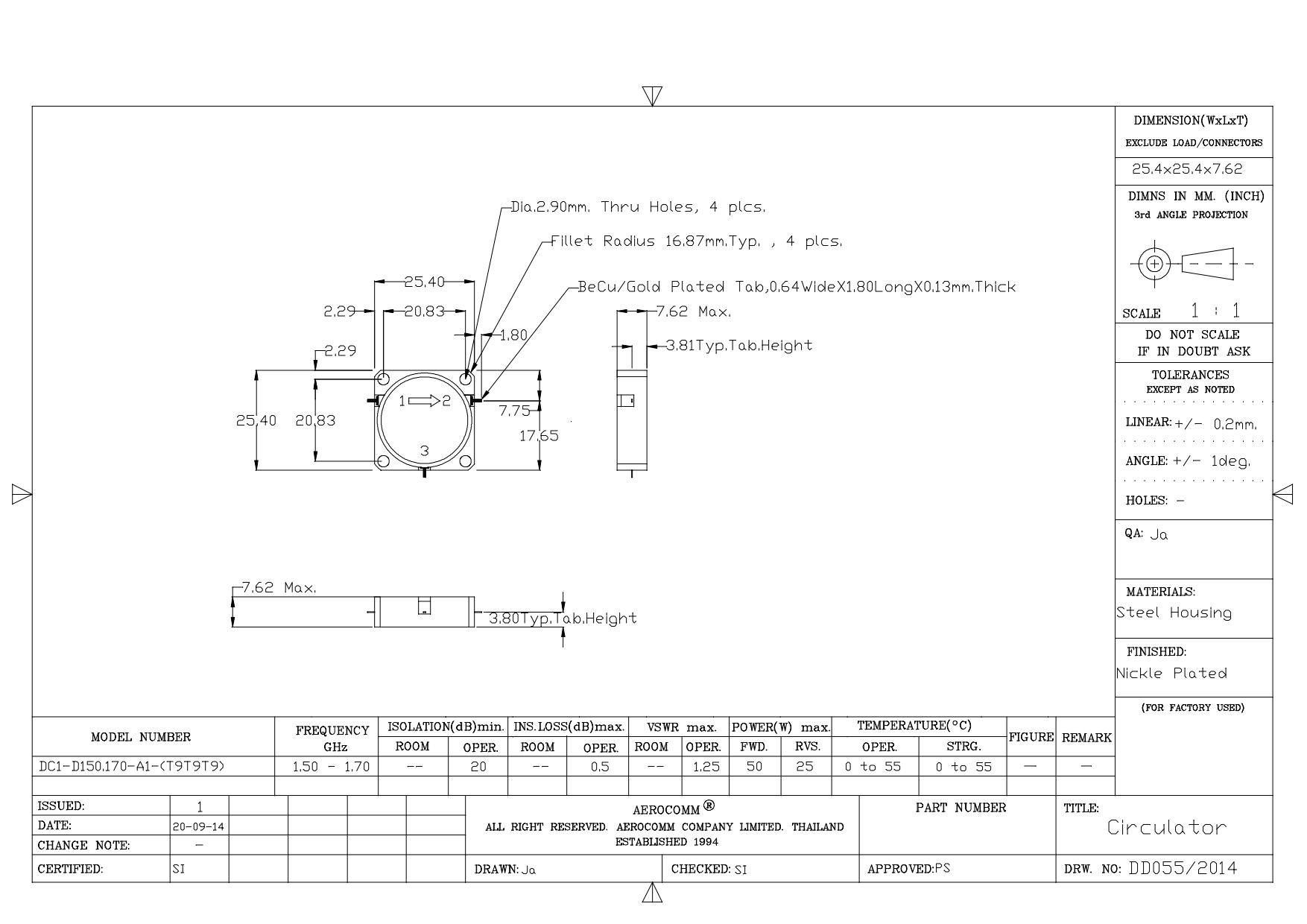
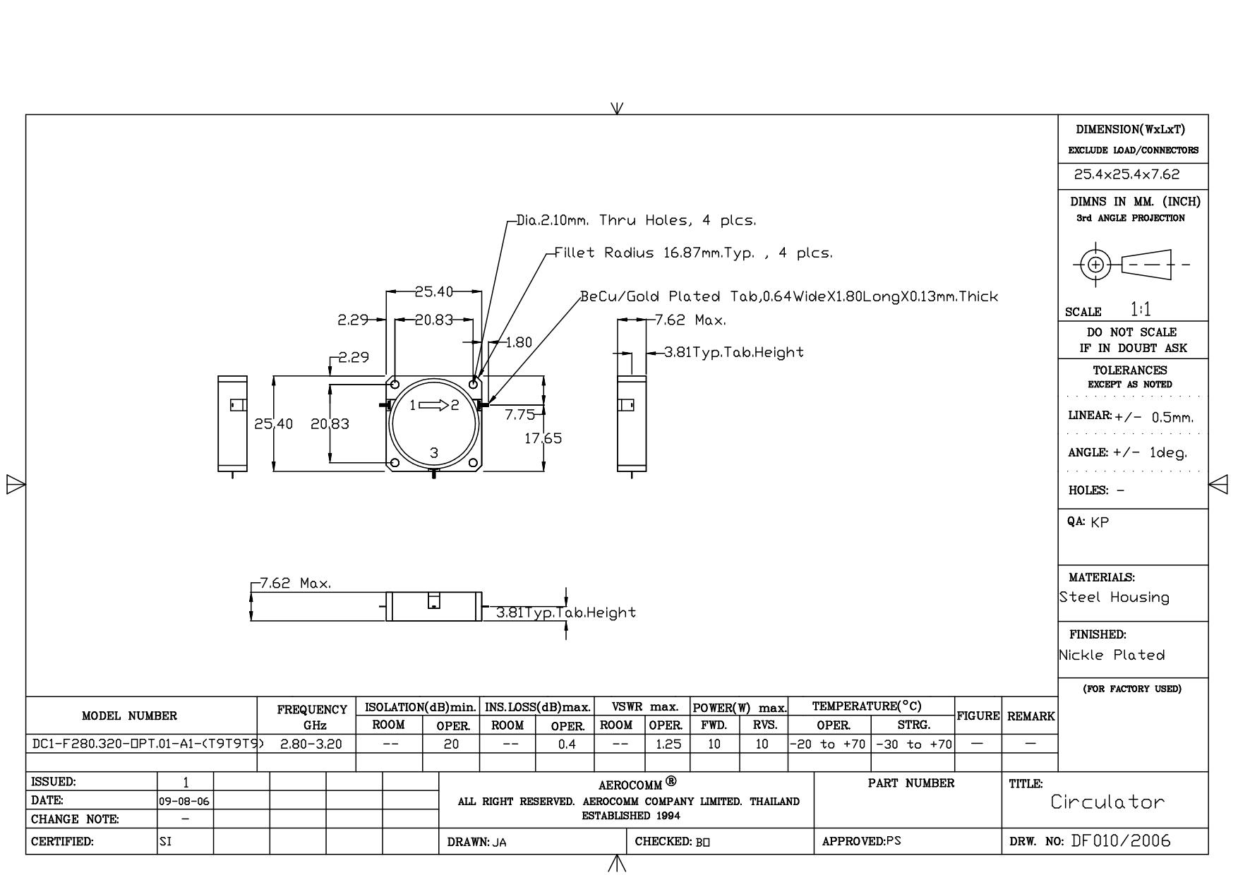
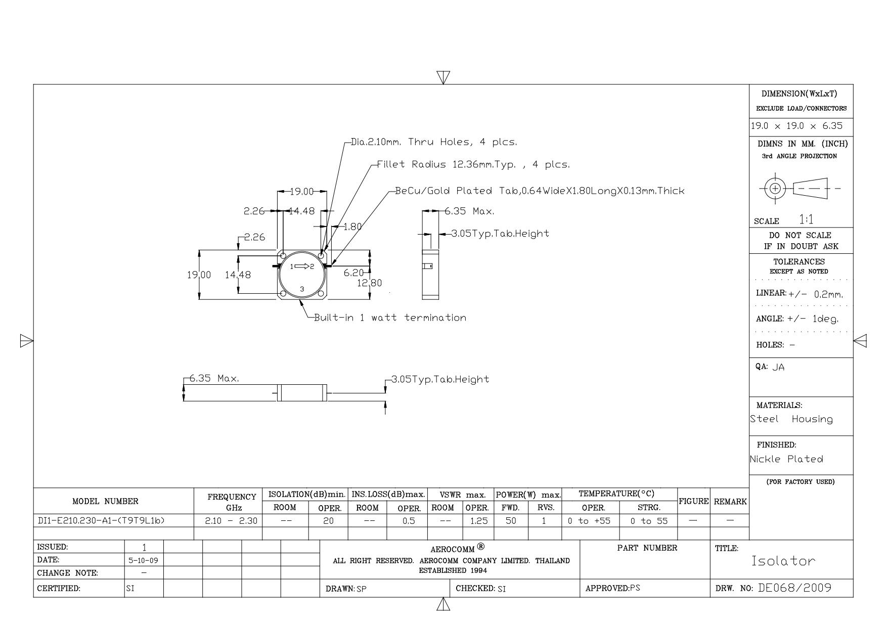
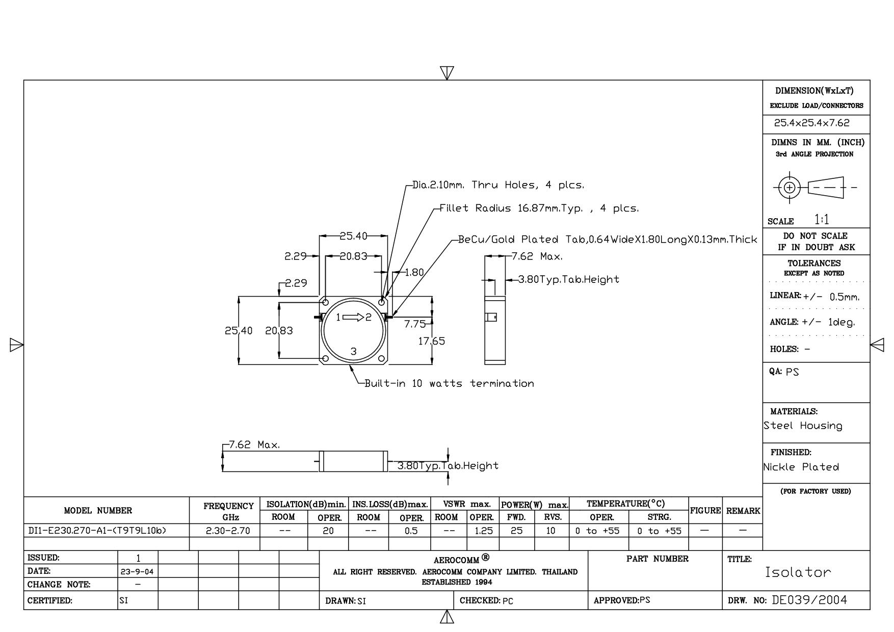
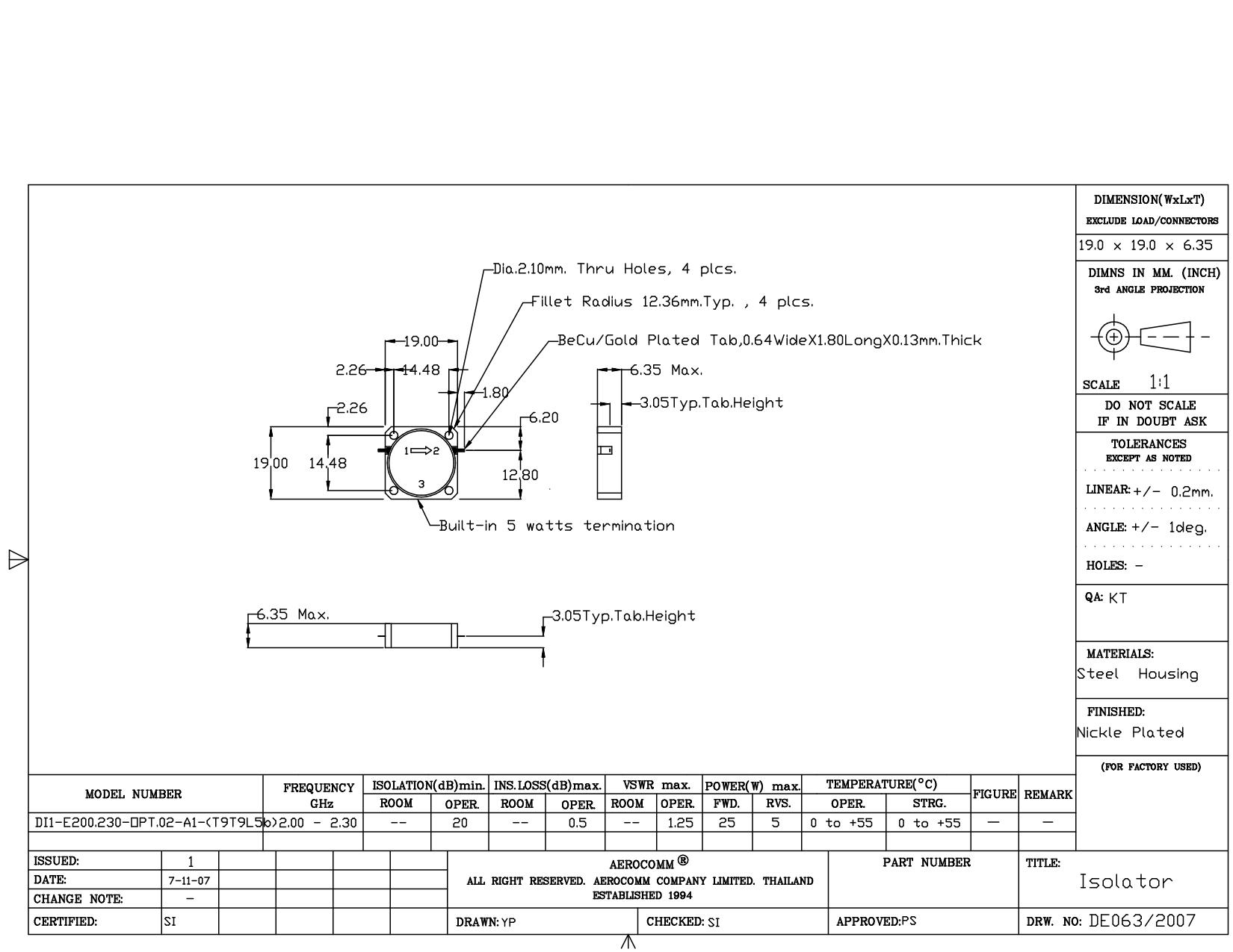
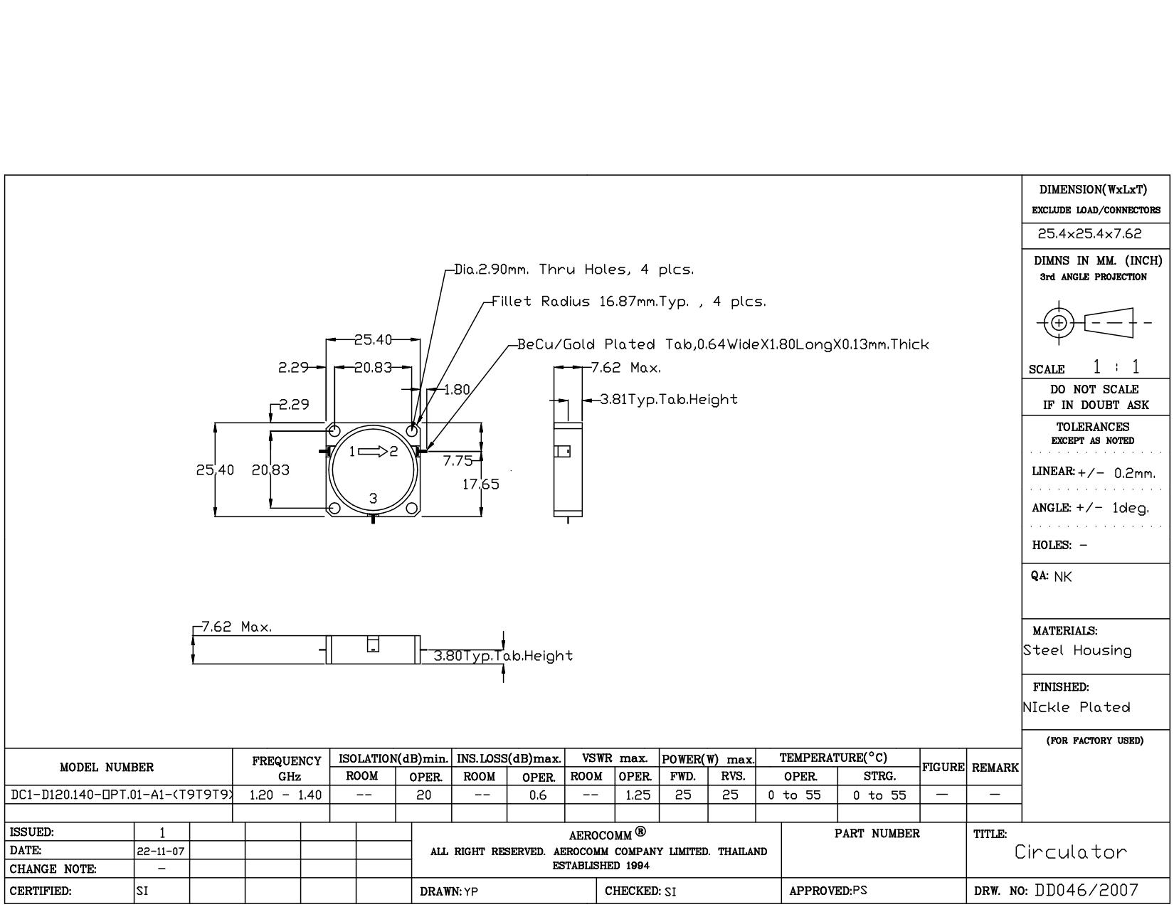
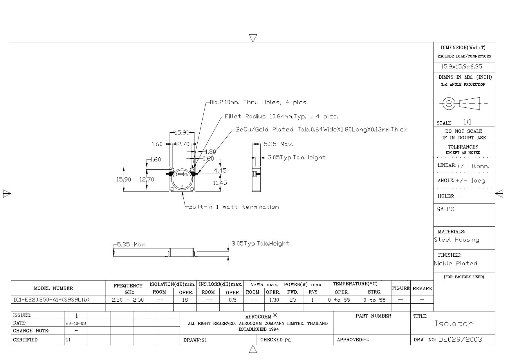
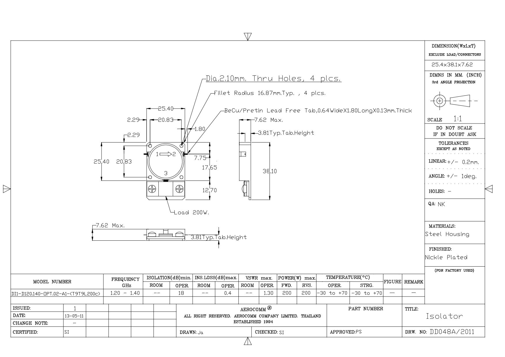
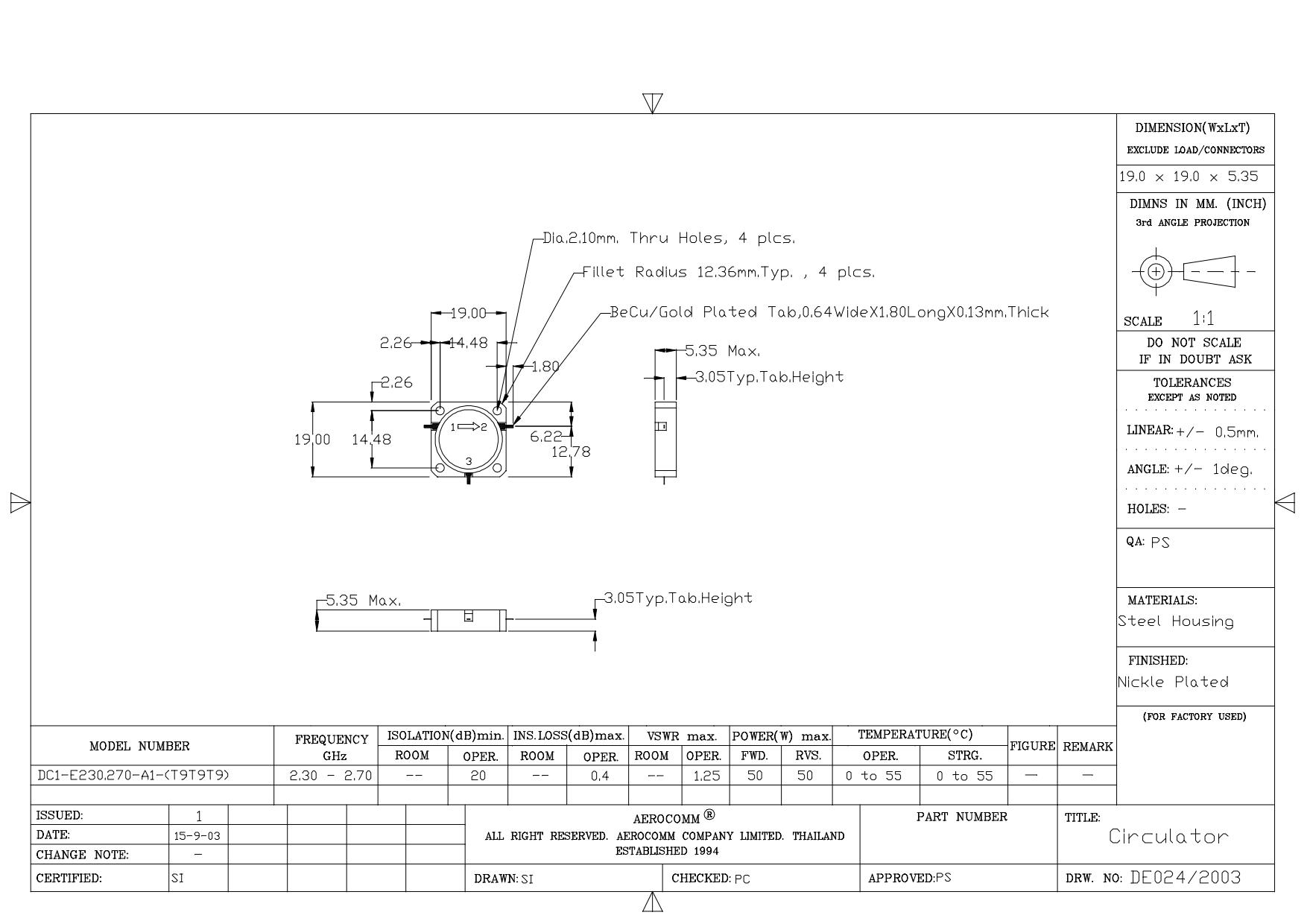
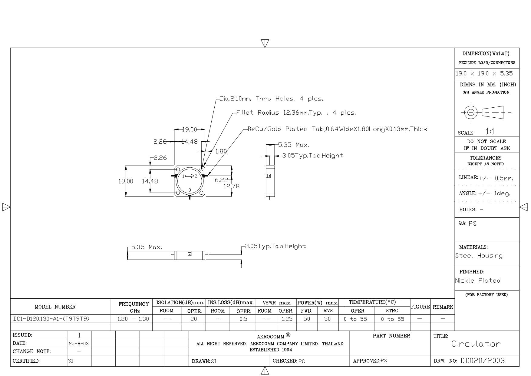
STRIPLINE DROP-IN JUNCTION ISOLATORS & CIRCULATORS, STANDARD NARROWBAND (continued) These models cover various narrow bandwidth. Available drawings can be viewed by clicking on red box. Please contact us for other frequency ranges or non-standard requirements.
AEROCOMM The Technology Company AEROCOMM The Technology Company About Us About Us Contact Contact Jobs Jobs ไทย Support Support
Aerocomm Products World class manufacturer of RF components / subsystems
DIVISION 3 DIVISION 3 Sales representaive in your country Sales representaive in your country Sales representaive in your country Sales representaive in your country Request a quote Request a quote
Aerocomm Company Limited 20 Aerocomm Bldg. Ladprao-Wanghin 43, Ladprao-Wanghin Road, Ladprao District Bangkok 10230 THAILAND   www.aerocommthailand.com
All Rights Reserved C Copyright 2015
Skype : aerocomm email : aerocomm@aerocommthailand.com
/Eng made in Thailand RF IN RF OUT