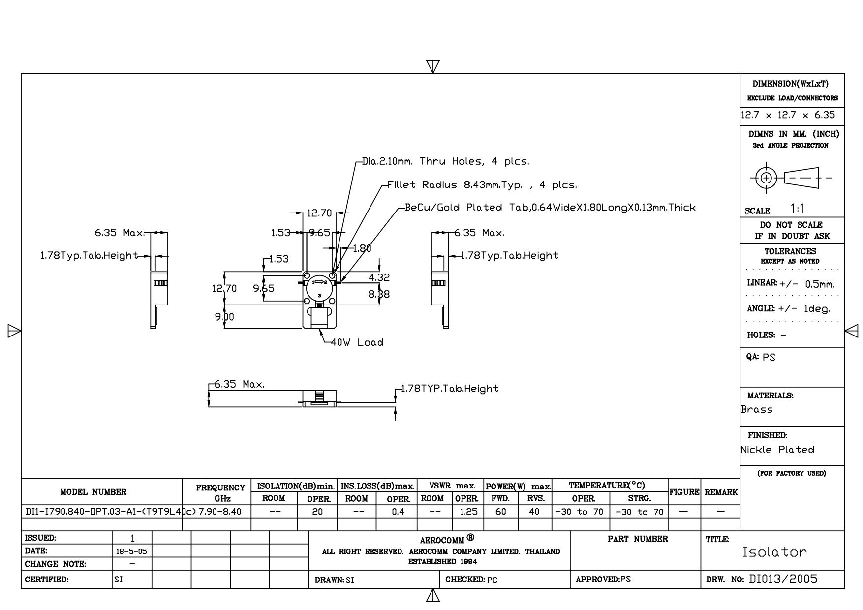
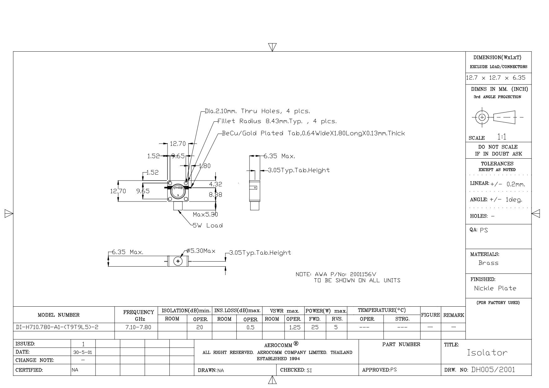
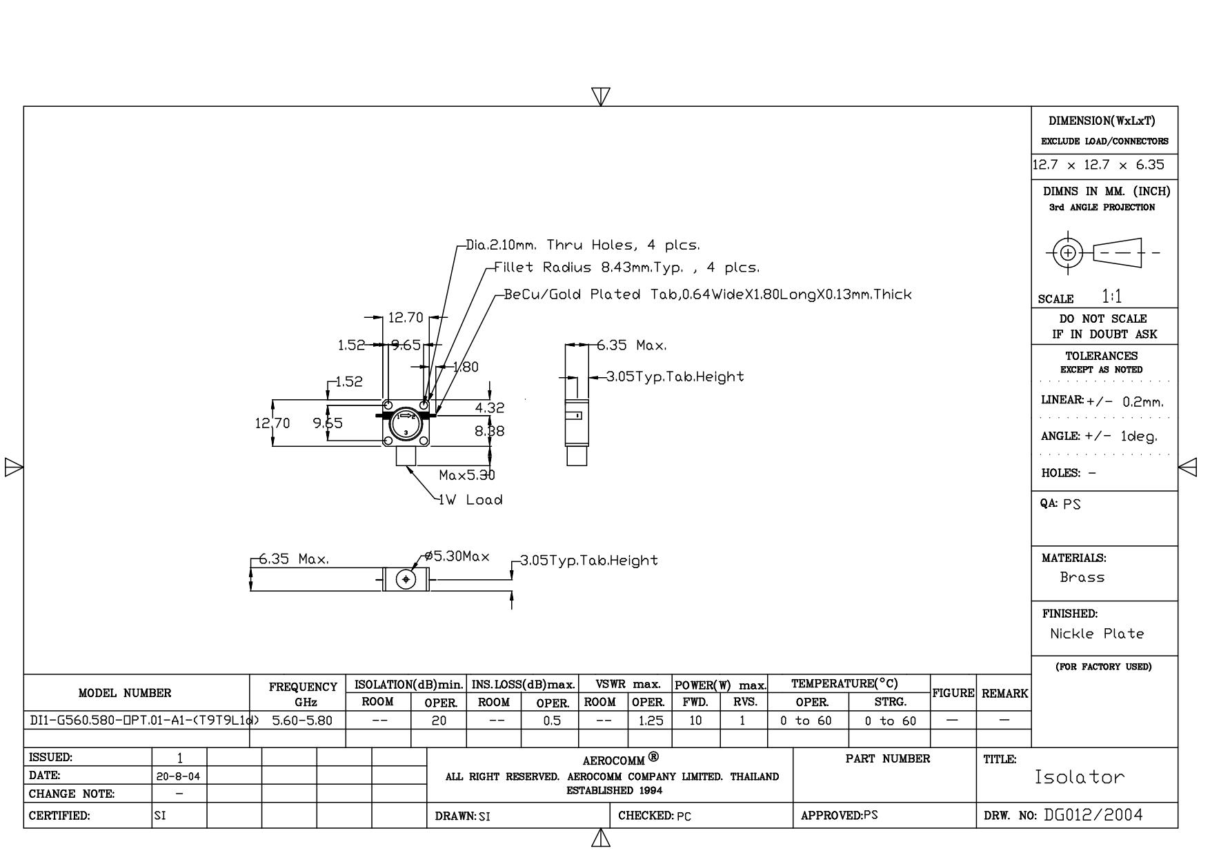
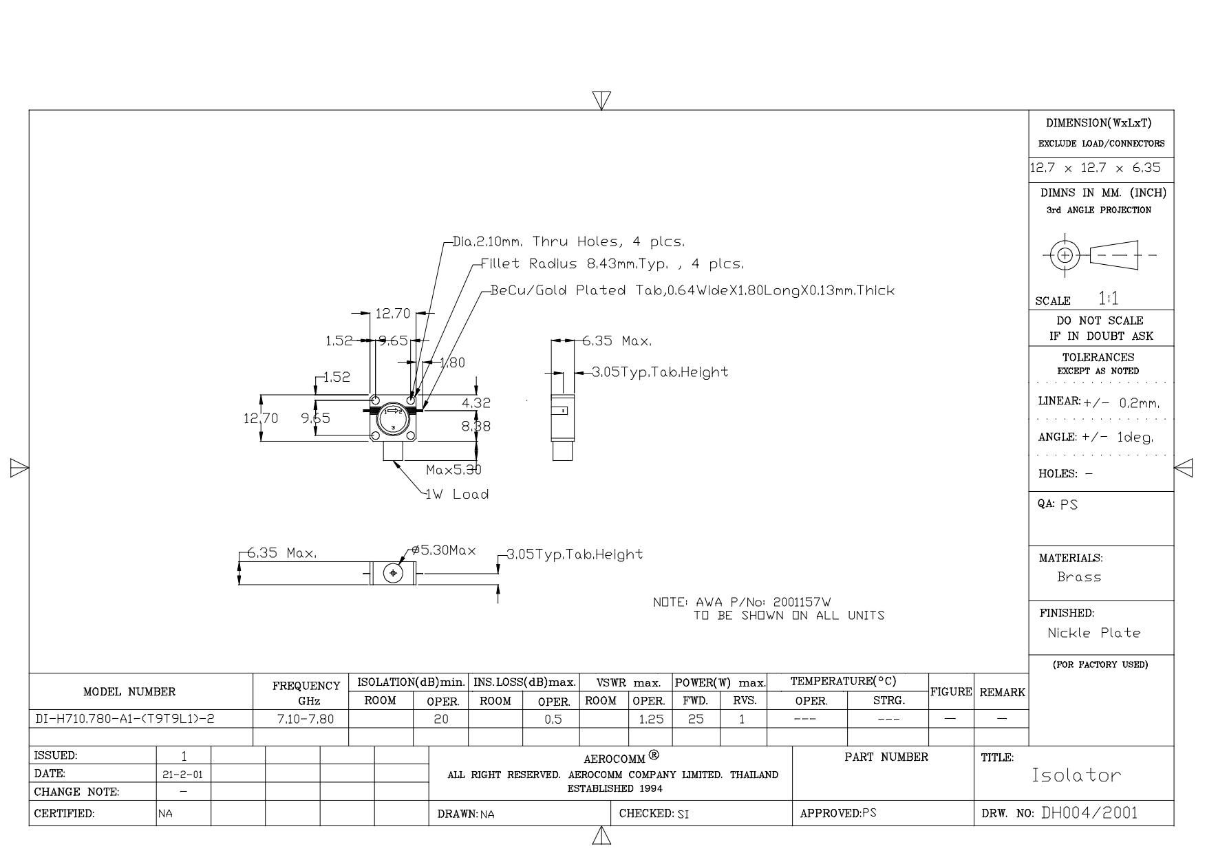
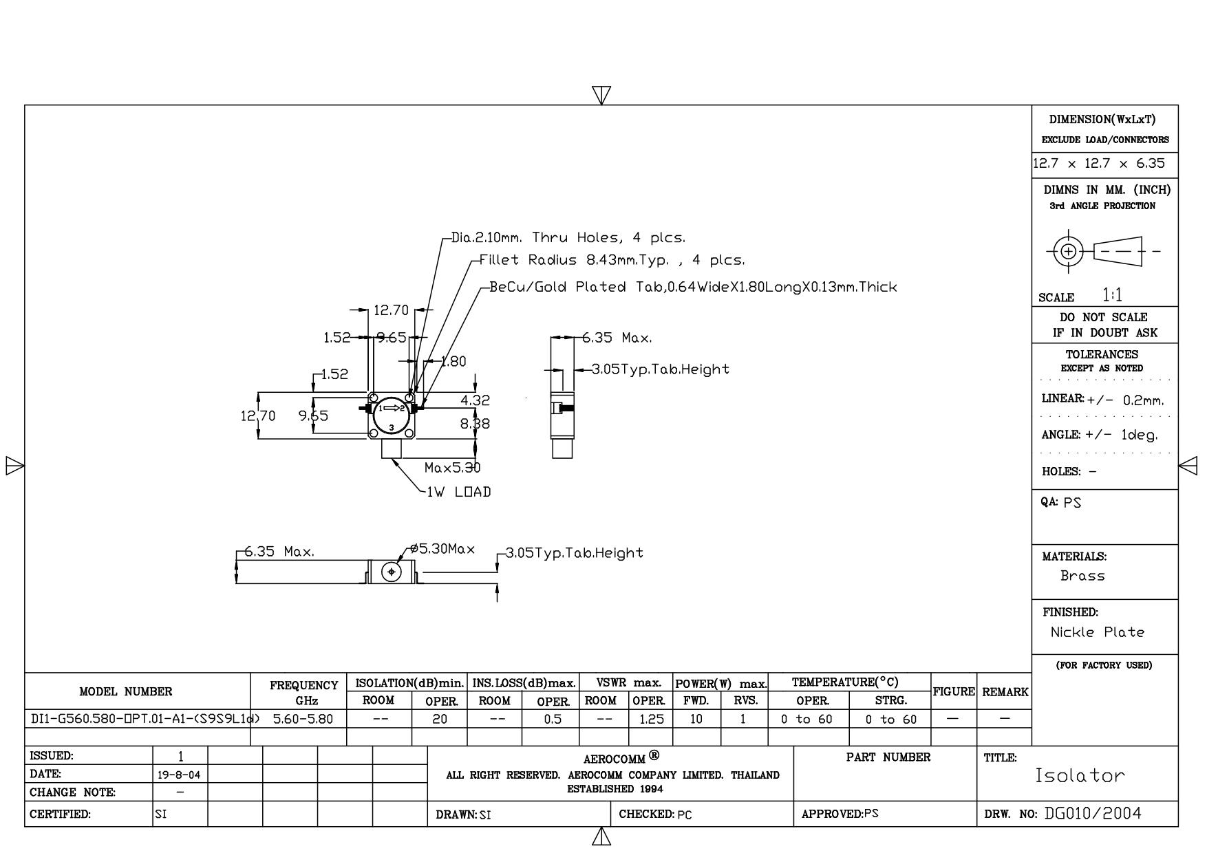
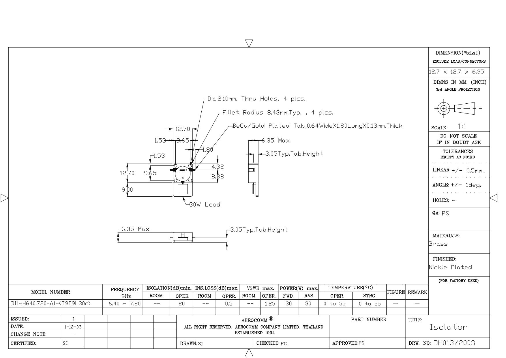
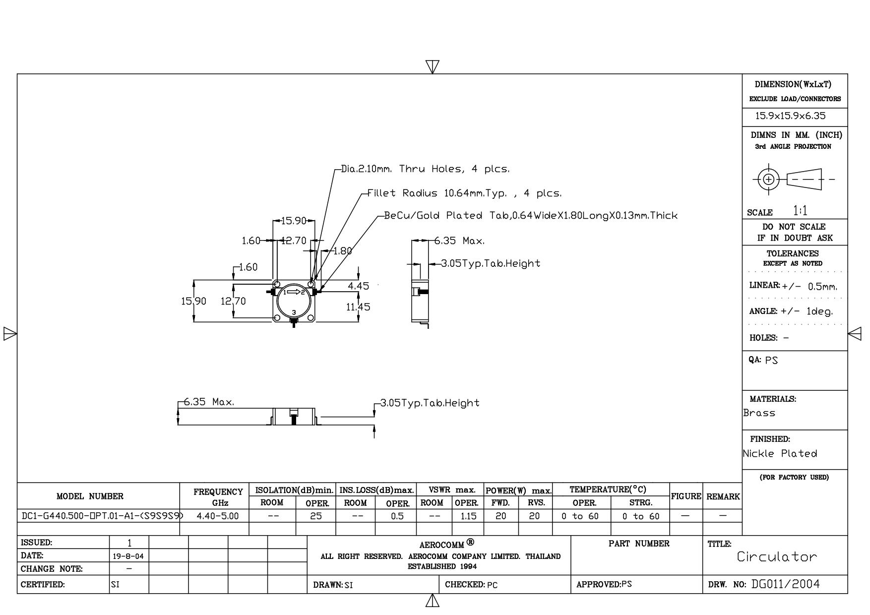
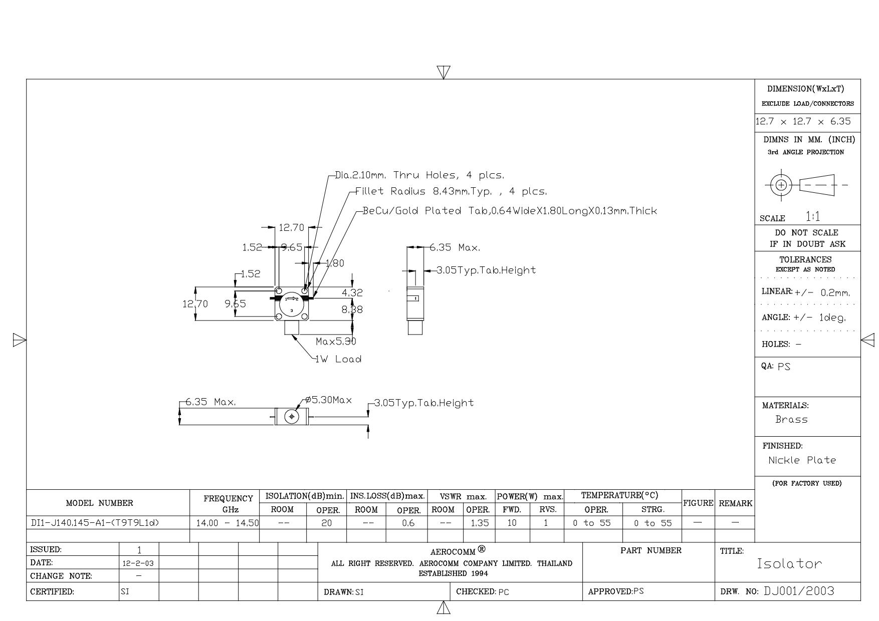
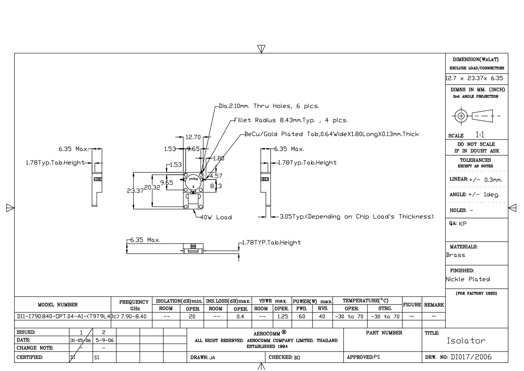
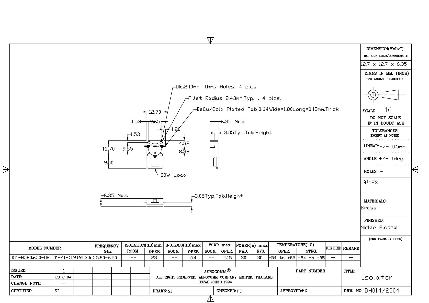
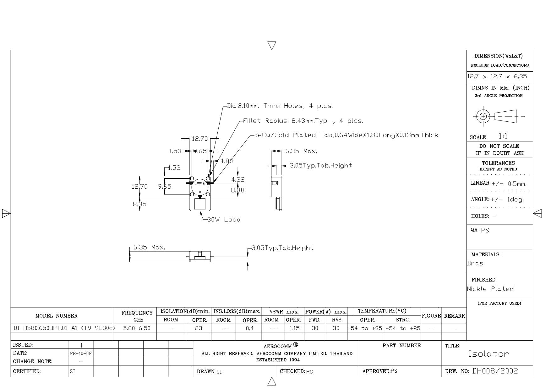
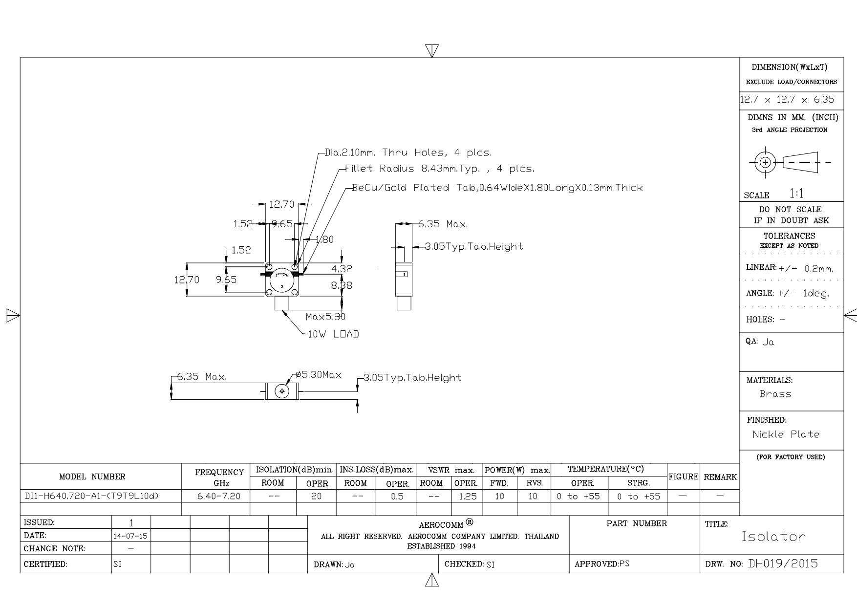
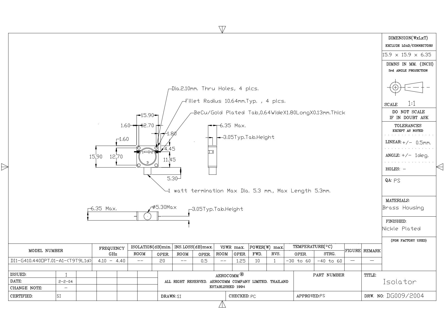
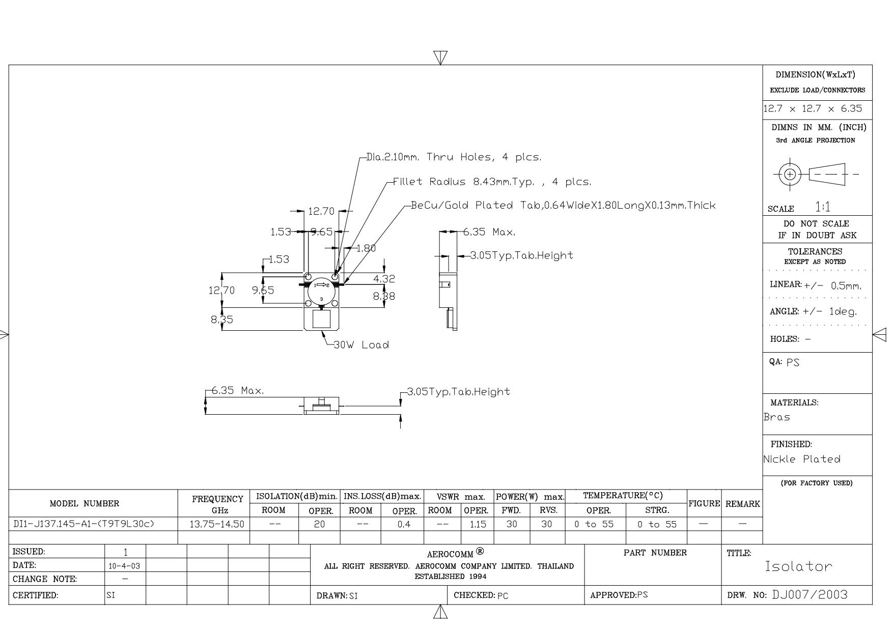
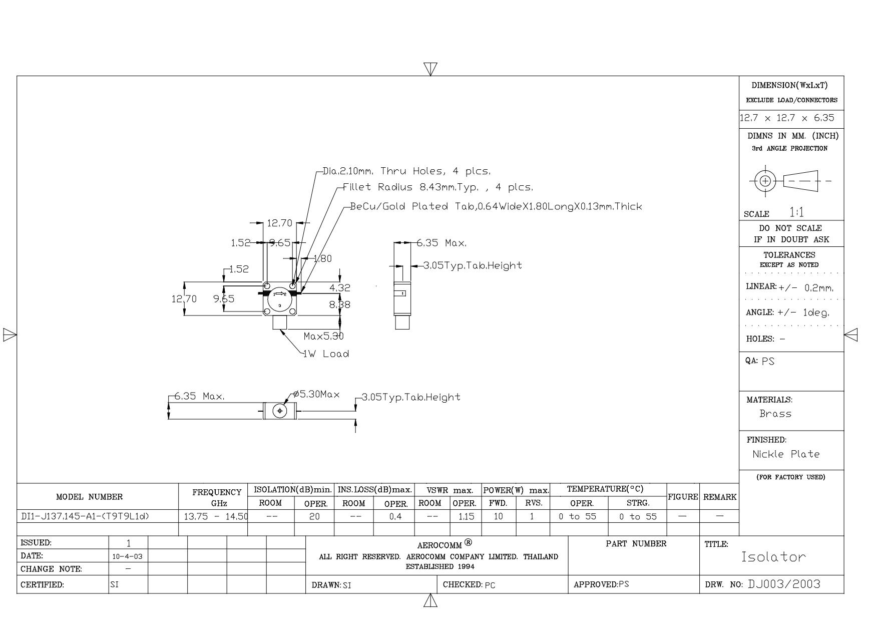
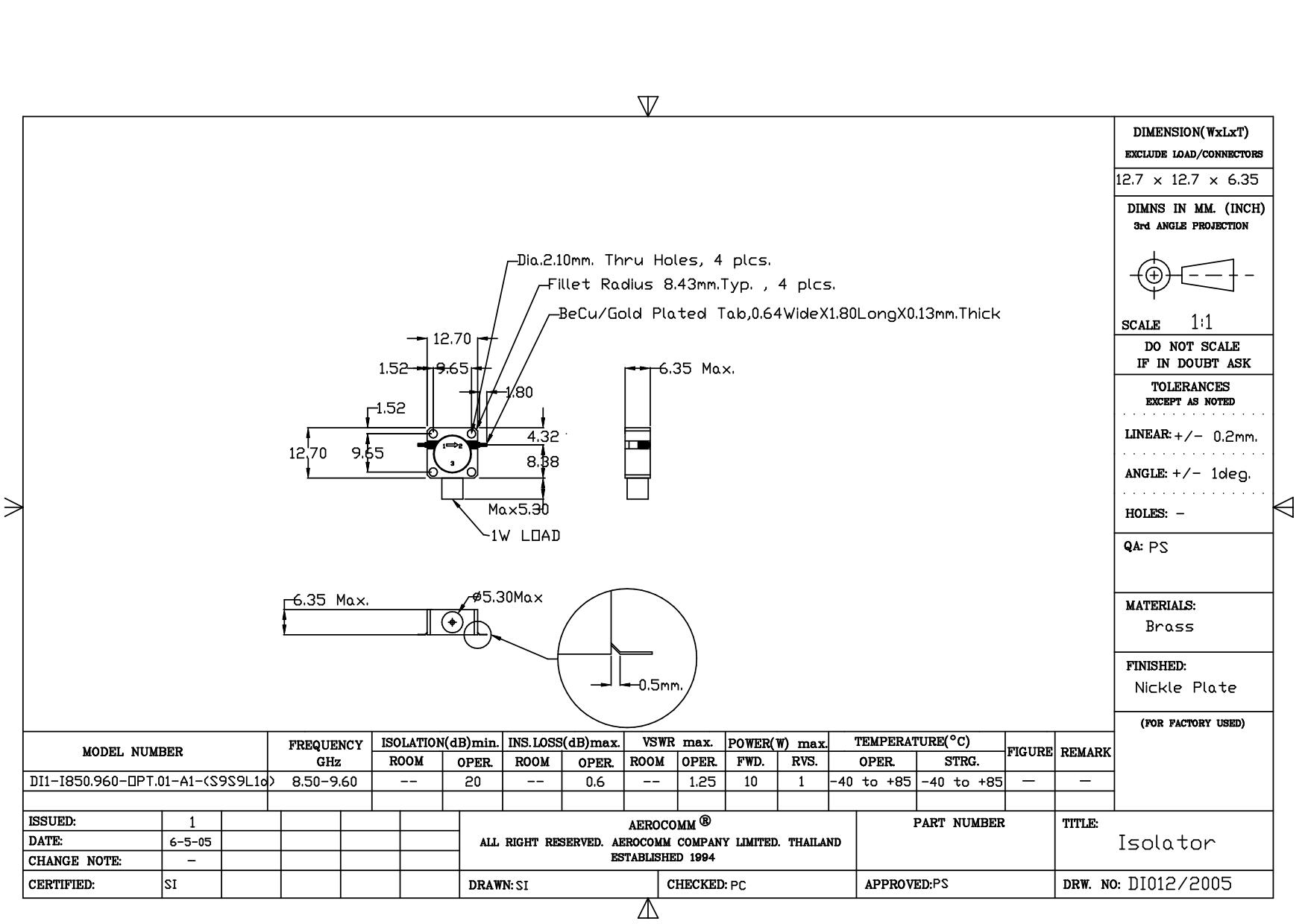
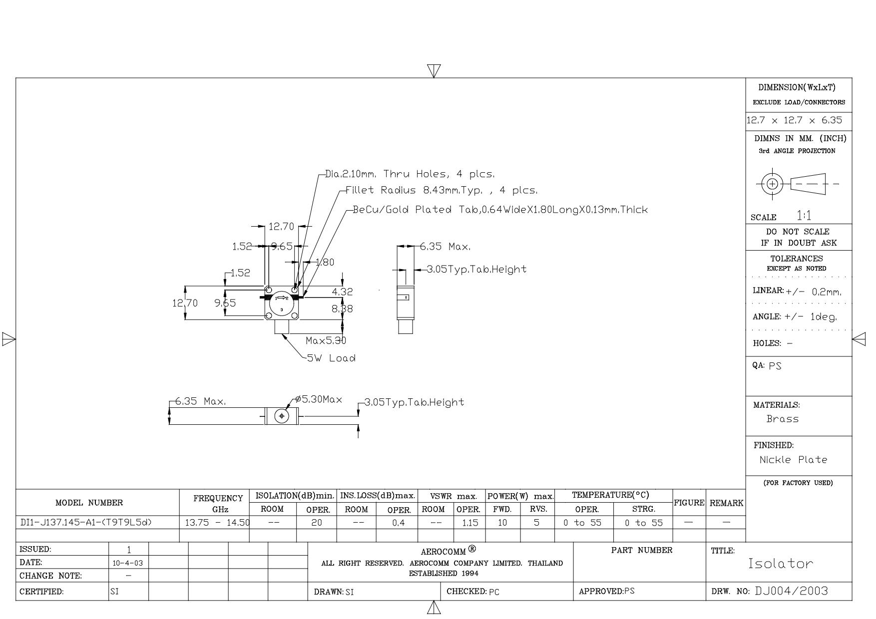
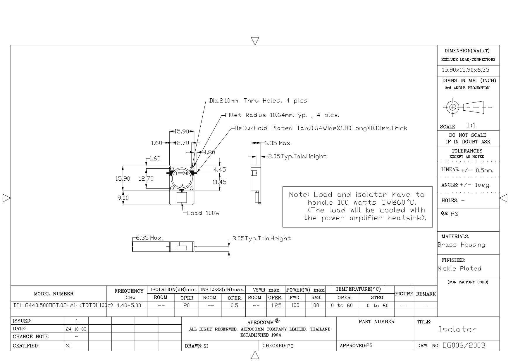
STRIPLINE DROP-IN JUNCTION ISOLATORS & CIRCULATORS, STANDARD NARROWBAND (continued) These models cover various narrow bandwidth. Available drawings can be viewed by clicking on red box. Please contact us for other frequency ranges or non-standard requirements.
Recommended Installation for Aerocomm Drop-in Isolator / Circulator Click on image to enlarge.
AEROCOMM The Technology Company AEROCOMM The Technology Company About Us About Us Contact Contact Jobs Jobs ไทย Support Support
Aerocomm Products World class manufacturer of RF components / subsystems
DIVISION 3 DIVISION 3 Sales representaive in your country Sales representaive in your country Sales representaive in your country Sales representaive in your country Request a quote Request a quote
Aerocomm Company Limited 20 Aerocomm Bldg. Ladprao-Wanghin 43, Ladprao-Wanghin Road, Ladprao District Bangkok 10230 THAILAND   www.aerocommthailand.com
All Rights Reserved C Copyright 2015
Skype : aerocomm email : aerocomm@aerocommthailand.com
/Eng made in Thailand RF IN RF OUT